微信搜索关注"91考试网"公众号,领30元,获取公务员、事业编、教师等考试资料40G!
1、选择题 有一种白色粉末由等质量的两种物质混合而成,分别取适量该白色粉末置于三支试管中进行实验.
(1)逐滴加入6mol?L-1盐酸,同时不断振荡试管,有气泡产生,反应结束后得到无色透明溶液
(2)加热试管中的白色粉末,试管口有水滴凝结
(3)逐滴加入6mol?L-1硫酸,同时不断振荡试管,有气泡产生,反应结束后试管中还有白色不溶物
下列混合物中符合以上实验现象的是( )
A.NaHCO3、AgNO3
B.BaCl2、MgCO3
C.NH4HCO3、MgCl2
D.CaCl2?6H2O、Na2CO3
参考答案:D
本题解析:
本题难度:一般
2、填空题 (12分)下图为中学化学中几种常见物质的转化关系(部分产物已略去)。已知:A、C、D是常见的气体单质,F气体极易溶于水,且液态常做制冷剂。

(1)写出化学式A?,D?,F?,G属于?晶体;
(2)鉴定G中阳离子的实验方法和现象_____________________________;
(3)D单质和E溶液反应,生成一种常见的消毒剂和漂白剂的有效成分,写出D+E溶液反应的离子方程式和③的化学方程式?、
?。
(4)常温下,电解B溶液制得pH = 12的烧碱溶液1000mL则反应中转移的电子数目为?。
参考答案:
(1)N2、Cl2、NH3、离子;(共4分)
(2)取少量D的溶液加人试管中,用胶头滴管加入少量NaOH浓溶液,加热用湿润的红色石蕊试纸在试管口检验放出的气体,试纸变蓝色(2分)
(3)2OH-+Cl2=ClO-+Cl-+H2O (2分) 8NH3+3Cl2=N2+6NH4Cl (2分)
(4)0.01NA
本题解析:略
本题难度:一般
3、填空题 (13分)物质A、B、C、D为中学常见单质,其组成元素的原子序数依次减小,且其中只有三种是短周期元素,B为黄绿色气体。试根据下图中物质的相互转化关系回答下列问题。

(1)A是_________
(2)在
的转化中,A的作用是?;在①~⑥的反应中,不属于氧化
还原反应的是?。(多填或少填无分)
(3)写出A在高温下与H反应的化学反应方程式并标出电子转移的方向和数目
? ?。
(4)写出反应⑥的化学反应方程式 ?。
(5)已知在101 kPa 条件下,2 mol D完全燃烧生成液态生成物放出571.6 kJ热量;请书写表示D燃烧热的热化学方程式: ?
参考答案:(13分)
(1)铁(2分)
(2)还原剂(2分)⑤⑥(2分)(多填或少填无分)
(3)
(2分)
(4)FeCl3+3H2O
Fe(OH)3↓+3HCl↑ (2分)
(5)H2(g)+1/2 O2(g) = H2O(l);?⊿H =" —285.8" kJ/ mol?(3分)
本题解析:略
本题难度:一般
4、填空题 (10分)
由短周期元素组成的单质A、B、C和甲、乙、丙、丁四种化合物有下图所示的转换关系,已知C为密度最小的气体,甲是电解质。

根据图示转化关系回答:
(1)写出下列物质的化学式:B?、丙?、丁?。
(2)组成单 质A的元素在周期表中的位置是?。
(3)乙与过量CO2反应的离子方程式____________________________。
参考答案:(1) B.O2(2分) 丙.H2O(2分)?乙.Al(OH)3(2分)
(2)第3周期ⅢA族 (2分) ?(3)[Al(OH)4]-+CO2===Al(OH)3↓+HCO3- (2分)
本题解析:单质C是密度最小的气体,应为H2;单质A与NaOH溶液反应可生成H2,A+B→甲,甲亦能与NaOH溶液反应,容易考虑A为Al或Si,B为O2,则甲为Al2O3或SiO2,由于甲是电解质,故甲不能为SiO2,则A为Al,甲为Al2O3,乙为Na[Al(OH)4],丁为Al(OH)3。
本题难度:一般
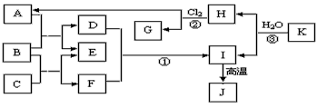
5、推断题 下图中,A、C是工业上上用途很广的两种重要化工原料,B为日常生活中常见的金属,H、G是正四面体结构的非极性分子,H是一种重要的能源,J是一种耐高温材料,K是由两种常见元素组成的化合物(图中部分反应物或生成物没有列出)。

请按要求回答:
(1)写出B的化学式_______________,G的电子式_______________。
(2)反应①的离子方程式为_________________________。
(3)反应②进行的条件是_________________。
(4)反应③的化学方程式为___________________________。
参考答案:(1)Al;
(2)Al3+ +3AlO2-+6H2O==4Al(OH)3↓
(3)光照、过量Cl2
(4)Al4C3+12H2O =4Al(OH)3+3CH4↑
本题解析:
本题难度:一般