1、选择题 将SO2和SO3的混合气体通入BaCl2溶液中,其结果是(? )
A.有BaSO4沉淀生成,SO2从溶液中逸出
B.两种气体都被吸收,有BaSO4沉淀生成
C.两种气体都被吸收,有BaSO4和BaSO3沉淀生成
D.有BaSO3沉淀生成,SO3从溶液中逸出
参考答案:A
本题解析:SO2和SO3通入BaCl2溶液中,SO3和BaCl2反应生成BaSO4沉淀和H2SO4,而SO2不反应,所以SO2从溶液中逸出
本题难度:简单
2、选择题 一定量的浓硫酸与过量的镁充分反应,生成的气体是
A.SO2 H2
B.SO2
C.H2
D.无法确定
参考答案:A
本题解析:
正确答案:A
浓硫酸具有强氧化性,一开始生成SO2,随反应的进行,浓度变稀,后来生成H2。
本题难度:一般
3、实验题 如图是某研究性学习小组设计的SO2与Na2O2反应的探究装置.

(1)实验开始时,打开旋塞K,通入N2排尽整套装置中的空气,关闭旋塞K。点燃酒精灯,A中反应的化学方程式是?。
(2)B装置的作用是?。
(3)反应过程中,观察到:A中出现黑色不溶物;C中固体由淡黄色逐渐至完全转化为白色;若将带火星木条伸入D试管口内,火星显得更明亮。
①停止加热后,再通入N2至整套装置冷却,其目的是?。
②取少量C中白色固体,溶于蒸馏水得无色溶液W 。若向W中滴加几滴酸性KMnO4溶液,振荡,紫色褪去;若向W中加入用盐酸酸化的BaCl2溶液,出现大量白色沉淀;则说明C中白色固体有?。
③D装置中发生反应的离子方程式是?。
④过滤出A装置中的黑色不溶物,洗涤后将其溶于浓硝酸,得到蓝色溶液并产生红棕色气体;向蓝色溶液中滴加BaCl2溶液,产生白色沉淀;则黑色物质可能是___________。
a.Cu? b.? CuO? c.CuS? d.Cu2S?
参考答案:(1)Cu + 2H2SO4
CuSO4 + SO2↑ + H2O(2)观察气体通量、干燥(3)①防止造成污染 ②Na2SO3、Na2SO4 ③ 4OH- + 2SO2 + O2 = 2SO42-?+ 2H2O ④ c、d
本题解析:(1)浓硫酸和铜屑在加热条件下制备二氧化硫,化学方程式Cu + 2H2SO4
CuSO4 + SO2↑ + H2O(2)浓硫酸可以除去气体中掺杂的水蒸气,并且观察气体生成状况,B装置的作用观察气体通量、干燥(3)①抑制反应进行,防止造成污染;②溶解得无色溶液W中加入酸性KMnO4溶液,紫色褪去,说明有还原剂,加入用盐酸酸化的BaCl2溶液,出现大量白色沉淀,说明有硫酸根,即C为Na2SO3、Na2SO4 ③D装置是为了除去产生的二氧化硫防止污染,其反应离子方程式4OH- + 2SO2 + O2 = 2SO42-?+ 2H2O ④反应得到的黑色物质溶于硝酸且产生红棕色气体,即发生氧化还原反应生成NO2,向溶于中加入BaCl2溶液,产生白色沉淀,则有硫酸根离子,故黑色物质可能是c、d。
本题难度:一般
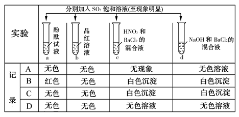
4、选择题 下列实验报告记录的实验现象正确的是? ( )

参考答案:C
本题解析:SO2水溶液呈酸性,加入酚酞试液中无明显现象。加入品红溶液中,品红褪色;C中SO2被硝酸氧化成SO42—生成白色硫酸钡沉淀,D中SO2与氢氧化钠反应生成Na2SO3,Na2SO3与BaCl2反应生成BaSO3白色沉淀。
本题难度:一般
5、选择题 下列制取硫酸铜的实验设计中,能体现“经济、高效、环保”精神的最佳方案是( )。
A.铜与浓硫酸共热
B.用铜片为阳极,石墨为阴极,电解稀硫酸
C.先灼烧废铜屑生成氧化铜,然后再用浓硫酸溶解
D.适当温度下,使铜片在持续通入空气的稀硫酸中溶解
参考答案:D
本题解析:A项有SO2生成;B项耗能较多;C项也耗能过多。
本题难度:一般