微信搜索关注"91考试网"公众号,领30元,获取公务员、事业编、教师等考试资料40G!
1、简答题 已知A、B、C为金属单质,甲、丙为无色气体,乙为黄绿色气体,D、E、F、G、H为中学常见的化合物,其中H为红褐色沉淀,它们之间能发生如下反应(图中的产物和条件未全部标出)

根据推断结果回答下列问题:
(1)写出下列物质的化学式:B______,丙______;
(2)写出③的化学方程式:______;
(3)写出⑤的离子方程式:______;
(4)F与D反应后的产物在空气中转化为H的化学方程式为:______;现象为______.
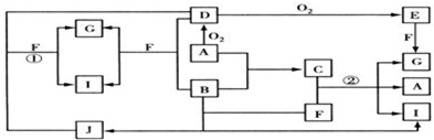
2、填空题 由短周期元素组成的10种物质A~J间有下图所示的转化关系.已知A、B为同周期相邻元素的单质,其余均为化合物;通常状况下A为固体,B、D为气体,F为液体;A和G的浓溶液加热时反应生成D和F;J在光照时有I生成.试回答:

(1)写出下列物质的化学式:B______,E______,F的结构式______.
(2)反应①的离子方程式为______;
(3)足量铁与G的热的浓溶液反应所得气体是______;铁与B反应的化学方程式______.
(4)C是一种重要的化工产品,为易挥发的樱桃红色液体.若反应②中生成的G、A和I的物质的量之比为1:2:6,则C的电子式为______,反应②的化学方程式为______.
3、推断题 A、B、C、D、E是中学常见的5种化合物,A、B是氧化物,元素X、Y的单质是生活中常见的金属,相关物质间的关系如下图所示。

(1)X的单质与A反应的化学方程式是__________________。
(2)若试剂1是NaOH溶液,X的单质与试剂1反应的离子方程式是_______________________。
(3)若试剂1和试剂2均是稀硫酸。
①检验物质D的溶液中金属离子的方法是___________________。
②将物质C溶于水,其溶液呈酸性,原因是(用离子方程式表示)_____________________________。
③某高效净水剂是由Y(OH)SO4聚合得到的。工业上以E、稀硫酸和亚硝酸钠为原料来制备Y(OH)SO4,反应中有NO生成,该反应的化学方程式是___________________________。
4、选择题 A、B、C分别是元素甲、乙、丙的单质,它们都是常见的金属或非金属,D、E、F是常见的三种氧化物,且有如图所示转化关系,则下列说法不正确的是( )

A.D、E中一定都含有甲元素
B.单质B肯定是氧化剂
C.A、B、C中一定有一种是氧元素的单质
D.若A是非金属,则B一定为金属
5、填空题 (每空2分,共14分)A、B、C、D、E、F六种中学化学中常见的物质,有如图转化关系,则:

(1)若A、C、E皆为氧化物,且E为有毒气体,B、D、F皆为非金属单质,且D为气体。则A的结构简式为???????????,单质F的晶体类型为????????,1molC中含有????????个共价键。
(2)若A、C、E皆为氢化物,三者皆为极性分子,其中C的相对分子质量最小;D、E、F皆为氧化物,其中D、F为有毒气体,F遇空气变为红棕色则。???????
①A、C、E沸点由高到低的顺序为??????????,(填化学式);A、C、E三种气态氢化物稳定性最强的是??????(填化学式)。
②B跟C反应生成E和F的化学方程式为???????????????????????????。
③A跟D常温下反应可生成一种单质,化学方程式为????????????????。