微信搜索关注"91考试网"公众号,领30元,获取公务员、事业编、教师等考试资料40G!
1、综合题 读下列材料,回答问题(15分)
材料一:江苏的水资源、海洋资源、非金属矿产资源等在全国占重要地位,但江苏是一个人口大省,各类资源的人均占有量少,并且江苏经济的飞速发展主要是以能源和原材料的高消耗为代价换来的。近年来,江苏交通用地、水利用地、工矿用地、城乡居民点建设用地不断增加,使原本有限的土地资源更加雪上加霜。由于人类的不合理的活动,许多资源遭到浪费和污染的命运。
材料二:江苏省人均主要资源量与全国平均比较(下页图)
(1)与全国人均资源比较,江苏差距最大的是人均森林面积,试分析江苏人均森林面积少的原因,以及可以采取的对策。?????????????????????????????????????????????????。
(2)从图中可以看出,江苏各种资源中,相对具有比较优势的是???????资源和????????资源,试分析其原因:????????????????????????????????????????????????????????????。

(3)从材料一中可以看出,江苏目前最缺乏的资源是土地资源和?????????????,江苏从国家新世纪四大工程中得益最大的是西气东输工程和西电东送工程。试从经济和生态角度分析其对江苏的有利影响。
2、综合题 【选修6——环境保护】
RCWA指数是指某区域可用清洁水资源量与该区域用水总量之比。下图示意1983—2008年我国东部某特大城市RCWA指数的变化情况,读图回答下列问题。

(1)说出该市1996年前后RCWA指数变化特点的差异,并分析1996年前指数变化的原因。(7分)
(2)简述当地政府为提高RCWA指数应采取的应对措施。(8分)
3、综合题 (10分)环境保护
阅读图文材料,完成下列要求。
澳大利亚西澳大利亚州和南澳大利亚州,开发史只有200多年,但一度成为世界著名“沙尘窝” 之一。仅1983年的那场席卷墨尔本的沙尘暴,就洒下了 200万吨尘土;20世纪90年代发生的一次 沙尘暴,卷起的尘土随着气流围绕地球环绕了 3圈……沙尘暴的频频光顾,成为澳大利亚的一块心病,也促使其采取了 一系列有效治理沙尘的措施,近几年已没有发生过大的沙尘暴。下图为西澳大利亚州和南澳大利亚州“沙尘窝”位置示意图。

(1)西澳大利亚州和南澳大利亚州成为世界著名“沙尘窝”的主要因素有哪些?(6分)
(2)澳大利亚治理沙尘的有效措施可能有哪些?(4分)
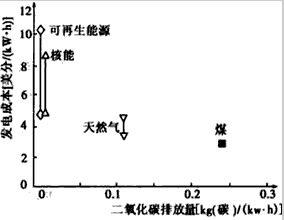
4、单选题 读若干种能源的发电成本及二氧化碳的排放量图,回答1—4题。

1、图中发电成本最低、二氧化碳排放最多的能源是
[???? ]
A、可再生能源
B、煤炭
C、天然气
D、核能
2、推测图中的可再生能源中发电成本最高的是
[???? ]
A、水电
B、太阳能
C、风能
D、潮汐能
3、考虑二氧化碳的排放量和能源的发电成本,目前最受欢迎的能源应该是
[???? ]
A、生物能
B、煤
C、天然气
D、潮汐能
4、核能发电成本差异较大的原因是
[???? ]
A、能源结构的差异
B、经济结构的差异
C、地区分 布的差异
D、经济技术水平的差异
5、单选题 北半球中高纬度目前主要的天然森林是(?)
A.温带混交林
B.亚寒带针叶林
C.常绿阔叶林
D.落叶阔叶林