高考省级导航

全国 A安徽 B北京 C重庆 F福建 G广东 广西 甘肃 贵州 H河南 河北 湖南 湖北 黑龙江 海南 J江苏 江西 吉林 L辽宁 N内蒙古 宁夏 Q青海 S山东 山西 陕西 四川 上海 T天津
     X新疆 西藏 Y云南 Z浙江

高考地理高频试题、高中地理题库汇总-压中真题已成为一种习惯

地球与地图 地球 地图: 地图的基本知识 等值线图 宇宙中的地球 宇宙环境: 地球是太阳系中 太阳对地球的影响 地球运动及其地理意义: 地球运动的地理意义 地球的圈层结构 宇宙探测 人类认识的宇宙 物质运动和能量交换 地壳物质循环 内力作用与地貌 大气的热状况 大气受热过程 大气运动 全球气压带 常见的天气系统 气候类型及其判断 大气的圈层结构 水的运动 陆地上水体 世界洋流分布 水资源利用 整体性和差异性 自然环境 地理环境的整体性: 自然地理要素 地域分异规律 陆地自然带 自然对人类影响 地表形态对聚落及交通 全球气候变化 资源对人类生存: 自然资源的分布和利用 自然灾害发生 人口与城市 人口与地理环境: 人口增长与人口问题 人口迁移 人口分布 人口性别 城市与地理环境: 城市的空间结构 城市化的过程和特点 城市的区位因素 地域文化 生产活动 农业生产活动 农业区位因素 农业地域类型 工业生产 工业区位因素 传统工业区和新兴工业区 交通运输 现代交通运输方式 交通运输线路 交通运输布局 城市交通的特点 商业中心和国际贸易 区域可持续发展 区域工业化 区域农业生产 人类与地理环境 人地关系思想 主要环境问题 可持续发展 区域地理环境 地理信息技术的应用 遥感(RS) 全球定位系统 地理信息系统 区域生态环境的建设 荒漠化的防治 水土流失的治理 森林的开发和保护 区域地理 世界地理 世界分区地理 中国地理 中国地理概况 中国的河流和湖泊 中国的农业和工业 中国的天气和气候 中国的自然资源 中国区域差异 东部季风区 国土整治 选修部分 宇宙与地球 太阳系和地月系 海洋地理 海洋和海岸带 海洋环境问题 海洋开发 海洋权益 旅游地理 旅游活动设计 旅游景观的欣赏 旅游与区域发展 旅游资源的类型与分布 旅游资源的综合评价 文化景观 文明旅游 城乡规划 自然灾害与防治 自然灾害与环境 主要自然灾害 自然灾害 防灾与减灾 环境保护 资源问题 生态环境保护 生态问题 环境污染与防治 环境与环境问题 环境管理 环境与发展问题 地理信息技术应用 3S技术综合应用 地图与遥感 综合专题

高中地理知识点大全《大气受热过程》试题强化练习(2017年最新版)(八)
2017-07-17 18:42:39 来源:91考试网 作者:www.91exam.org 【
微信搜索关注"91考试网"公众号,领30元,获取公务员、事业编、教师等考试资料40G!

1、单选题  下图为2012年1月12日至2月9日我国某地气象站每天早晨8时积雪深度、无雪地温和雪盖地温变化统计图。读图完成下列问题。

小题1:依据图示信息做出的判断,正确的是
A.积雪越深,无雪地温越低 
B.积雪与地温之间没有明显相关性
C.天气晴朗,无雪地温偏高 
D.无雪地温比雪盖地温变化幅度大

小题2:下列日期,该地天气晴朗的是
A.1月17日
B.1月28日
C.1月31日
D.2月9日


参考答案:
小题1:D
小题2:C


本题解析:
小题1:根据图示:图中积雪深度最深处,无雪地温并不是最低温度,A选项错误;积雪与地温之间存在明显的相关性,积雪深度与无雪地温成反相关,与雪盖地温成正相关,B选项错误;天气晴朗,积雪融化,积雪深度降低,积雪融化吸收大量的热量,无雪地温偏低,C选项错误;图示无雪地温比雪盖地温变化幅度大,D选项正确;所以本题选择D选项。
小题2:天气晴朗,积雪融化,积雪深度降低,图中1月17日、1月28日和2月9日积雪深度有加深趋势,为降雪天气,1月31日,积雪深度降低,积雪融化,为晴朗天气。所以本题选择C选项。


本题难度:一般



2、单选题  下列不属于影响地面辐射大小的因素是
[? ]
A、纬度
B、气温
C、下垫面
D、气象


参考答案:B


本题解析:


本题难度:简单



3、单选题  读该表,表中反映对流层大气中某些气体发生了变化,则

A.大气吸收太阳辐射的能力减弱
B.大气吸收地面辐射的能力减弱
C.大气吸收地面辐射的能力增强
D.地面吸收太阳辐射的能力增强


参考答案:C


本题解析:表示数据反映温室气体增多,由于温室气体能大量吸收地面辐射,加强大气逆辐射,故使近地面气温升高,故C项正确。
点评:本题解题关键温室效应的基本原理。


本题难度:一般



4、多选题  ? 大气中二氧化碳含量增多导致全球气候变化,已成为全球关注的热点问题。下图为地球热量平衡示意图。读图回答1—2题。

1、二氧化碳含量增多,导致大气对地面保温作用增强。下列数字所示环节与大气保温作用直接相关的有
[? ]
A、①
B、②
C、③
D、④
2、全球气候变化对粮食生产产生较大影响,其主要原因是
[? ]
A、作物的生长发育受到影响
B、旱涝灾害增多
C、某些物种灭绝
D、土壤肥力下降


参考答案:1、AC
2、AB


本题解析:


本题难度:简单



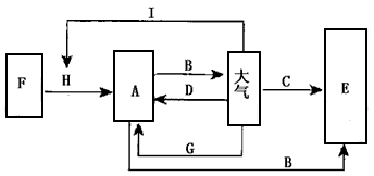
5、填表题  请你完成“大气热力作用相关知识联系框图”,将下列项目的序号填入图中的方框和带箭头的线上。
A.地面 B.地面辐射 C.大气辐射 D.大气逆辐射 E.宇宙空间
F.太阳 G.保温作用 H.太阳辐射 I.削弱作用


参考答案:


本题解析:


本题难度:一般



】【打印繁体】 【关闭】 【返回顶部
下一篇高考地理知识点总结《大气的热状..

网站客服QQ: 960335752 - 14613519 - 791315772