全国2008年4月高等教育自学考试
工程力学(二)试题
课程代码:02391
一、单项选择题(本大题共10小题,每小题2分,共20分)
在每小题列出的四个备选项中只有一个是符合题目要求的,请将其代码填写在题后的括号内。错选、多选或未选均无分。
1.图示三铰刚架上作用一力偶矩为m的力偶,则支座B的约束反力方向应为( )
A.沿BC连线
B.沿AB连线
C.平行于AC连线
D.垂直于AC连线
2.力F作用在边来源:91exam.org长为a的正方形侧表面CDEG的对角线EC上,该力在x轴上的投影X及对x轴之矩mx(F)应等于( )
A.X=0,mx(F)=0
B.X=
F,mx(F)=0
C.X=0,mx(F)=
Fa
D.X=
F,mx(F)=
Fa
3.当动点的切向加速度的大小恒定不变,法向加速度的大小随时间变化时,动点的运动状态为( )
A.匀速曲线运动 B.匀变速曲线运动
C.匀速直线运动 D.匀变速直线运动
4.机构如图所示,小环M把ODA和BC套在一起,曲杆ODA绕O转动,带动小环M沿BC滑动。若选小环M为动点,曲杆ODA为动系,则( )

A.绝对运动为沿BC的直线运动,牵连运动为绕O的转动
B.绝对运动为绕O的转动,牵连运动为沿BC的直线运动
C.绝对运动为沿AD的直线运动,牵连运动为绕O的转动
D.绝对运动为沿BC的直线运动,牵连运动为沿AD的直线运动
5.当作用在质点系上外力系的主矢在某坐标轴上的投影为零时,则质点系质心的( )
A.速度一定为零 B.速度在该轴上的投影保持不变
C.加速度在该轴上的投影一定不为零 D.加速度在该轴上的投影保持不变
6.图示结构为( )
A.静定结构
B.一次超静定结构
C.二次超静定结构
D.三次超静定结构
7.在下列关于轴向拉压杆轴力的说法中,错误的是( )
A.拉压杆的内力只有轴力 B.轴力的作用线与杆轴线重合
C.轴力是沿杆轴线作用的外力 D.轴力与杆的横截面和材料均无关
8.设矩形截面对其一对称轴z的惯性矩为Iz,则当长宽分别为原来的2倍时,该矩形截面对z的惯性矩将变为( )
A.2Iz B.4Iz
C.8Iz D.16Iz
9.若梁上中间铰处无集中力偶作用,则中间铰左、右两截面处的( )
A.挠度相等,转角不等 B.挠度不等,转角相等
C.挠度和转角都相等 D.挠度和转角都不等
10.某物体自由落体冲击结构时,当冲击物高度H增加时,若其它条件不变,则被冲击结构的( )
A.动应力增加,动变形减小 B.动应力减小,动变形增加
C.动应力和动变形均增加 D.动应力和动变形均减小
二、填空题(本大题共10小题,每小题2分,共20分)
请在每小题的空格中填上正确答案。错填、不填均无分。
11.刚体在三个力作用下处于平衡状态,其中两个力的作用线汇交于一点,则第三个力的作用线必____________。
12.定轴转动刚体内各点的速度、加速度的大小与该点的_______大小成正比。
13.刚体转动惯量的平行轴定理的表达式为________。
14.质量为ml的物块以速度v下落,通过细绳带动质量为m2的匀质圆轮在水平面上纯滚动,如图所示。该系统的动能T等于_________。

15.在质点系运动的每一瞬时,作用在质点系上的所有外力和质点系上的假想惯性力在形式上组成__________。
16.铸铁拉断时的总变形很小,没有明显的___________变形。
17.杆件受大小相等、方向相反、作用线相距很近的横向力作用时,两力之间的截面将发生相对错动,这种变形称为________。
18.图示AB梁的A截面处的挠度为_______。

19.直径为D的实心轴,两端受扭转力偶作用,轴内最大剪应力为τ,若轴的直径改为D/2,则轴内的最大剪应力变为___________。
20.受力杆件中围绕某点截取的单元体如图所示,该点的最大主应力 =________.

三、计算题(本大题共8小题,第21~24题每小题各5分,第25~28题每小题各10分,共60分)
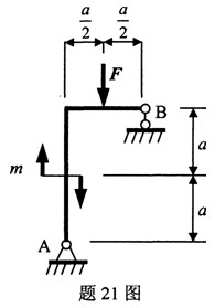
21.按图中结构的尺寸和荷载求A、B处的支座反力。

22.结构尺寸及荷载如图所示,求A支座的支座反力。

23.物体B高度为h,以速度v在水平面上平动,通过其上的K点推动杆OA绕O点转动,试求OA杆与水平线夹角为α时OA杆的角速度。

24.匀质圆轮质量为4m,半径为R,绕中心轴O转动,其上作用一常力偶矩M,它通过无重软绳连接一质量为m的物块A,物块与水平面光滑接触,试求物块A的加速度。

25.图示结构中,已知AC杆为直径d=25mm的圆钢,材料的容许应力[
]=141MPa,AC、AB杆夹角 =30°,A处作用力F=20kN,试校核AC杆的强度。

26.T形截面梁受力如图所示,其横截面的形心主惯性矩Iz=7.64×106mm4,y1=52mm,y2=88mm,若材料的容许拉应力[
]+=30MPa,试作弯矩图并校核梁C截面的最大拉应力。

27.矩形截面偏心受压杆如图所示,P的作用点位于截面的对称轴(y轴)上,己知P、6、h,试求该杆中的最大压应力。

28.圆形截面轴向受压杆如图所示,两端均为铰支,已知l=1m,d=22mm,E=2×105MPa,
=100,K=3,试根据稳定条件确定压杆容许荷载[P].
