微信搜索关注"91考试网"公众号,领30元,获取公务员、事业编、教师等考试资料40G!
1、简答题 如图(a)所示为“用DIS描绘电场的等势线”的实验装置图,实验过程有如下操作步骤:
①将其中一个探针与导电纸上的某一基准点接触,然后在导电纸上移动另一个探针,寻找若干个与此基准点的电势差为零的点,并将这些点压印在白纸上.
②在一块平整的木板上,依次铺放白纸、复写纸、导电纸,用图钉固定.
③合上电键.
④取出白纸画出各条等势线.
⑤在导电纸上放两个与它接触良好的圆柱形电极(图中A、B),并将两个电极分别与电源的正负极相连.
⑥重复步骤,找出其它4个基准点的等势点.
⑦用探针压印的方法把A、B的位置标记在白纸上.在两电极的连线上选取间距大致相等的5个点作为基准点,用探针把它们的位置压印在白纸上.
(1)将每一步骤前的序号按正确的操作顺序填写:______;
(2)该实验中,在两个电极的连线上选取间距相等的a、b、c、d、e五个点作基准点,如图(b)所示,实验中若发现a点电势低于b点电势,说明电极A与电源的______(选填“正”或“负”)极相连;
(3)实验中测得a、b两点间的电压为U1,b、c两点间的电压为U2,则U1______U2(选填“大于”、“小于”或“等于”).
参考答案:(1)按正确的操作顺序是②⑤⑦③①⑥④;
(2)若a点电势低于b点电势负,电场线方向由B到A,B接线柱接电源的正极,A接线柱接电源的负极.
(3)根据等量异种电荷电场线的分布情况可知,a、b两点间电场线比b、c两点间电场线密,则a、b两点间的场强较大,由U=Ed可知,U1大于U2.
故答案为:
(1)②⑤⑦③①⑥④;
(2)负
(3)大于
本题解析:
本题难度:一般
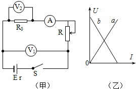
2、填空题 利用如图甲所示电路图可以测定定值电阻R0的阻值、电源电动势E及内电阻r的值,利用实验测出的数据作出U-I图线如右图乙所示.
(1)测得a图线的电压表应该是______(填“V1”或“V2”)
(2)要使实验中测量定值电阻R0的误差可能小,对电流表A的内电阻大小的要求是______;(选填字母代号)
A.尽可能选小一点?B.尽可能选大一点?C.无要求
(3)要使实验中测量电源电动势E和内阻r的误差尽可能小对电压表V1的内电阻大小的要求是______;(选填字母代号)
A.尽可能选小一点?B.尽可能选大一点?C.无要求
(4)请根据甲图所示电路完成实物连接.


参考答案:(1)a图线是定值电阻的U-I图线,所以电压表应该是V2.
(2)实验中测量定值电阻R0的误差主要来自电压表的分流,所以电压表尽可能选大一点,而电流表无要求
故选C.
(3)实验中测量电源电动势E和内阻r的误差来自于电压表V1的分流.对电压表V1的内电阻大小的要求是尽可能选大一点,减小分流,减小误差.
(4)根据甲图所示电路完成实物连接:

故答案为:(1)V2?(2)C?(3)B
(4)实物连线如图所示
本题解析:
本题难度:简单
3、选择题 如图所示,曲线AB为空间中一个电子的运动轨迹,那么该空间中( ? )
A.可能存在沿x轴正方向的电场
B.可能存在沿y轴正方向的电场
C.可能存在垂直于纸面向里的磁场
D.可能存在垂直于纸面向外的磁场