微信搜索关注"91考试网"公众号,领30元,获取公务员、事业编、教师等考试资料40G!
1、简答题 电源的电动势为2.0V,外电阻为9.0Ω时,路端电压为1.8V,求电源的内电阻.
参考答案:根据闭合电路欧姆定律得
U内=E-U外=2.0V-1.8V=0.2VI=U外R=1.8V9.0Ω=0.2Ar=U内I=0.2V0.2A=1Ω
答:电源的内电阻为1Ω.
本题解析:
本题难度:一般
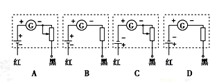
2、选择题 如图所示是一欧姆表(多用电表欧姆挡)的结构示意图,虚线框内有欧姆表的内部电路,红、黑表笔分别插入正、负插孔,虚线框内的欧姆表的内部电路图正确的是( )

参考答案: A
本题解析:
试题分析: 由于要保证电流在表头中由红进黑出,故红表笔应接电源的负极,黑表笔接电源的正极;并且在测量电阻时要进行欧姆调零;故应串接滑动变阻器。故A正确,B、C、D错误。
考点:多用电表的原理及其使用
本题难度:一般
3、选择题 调整如图所示电路的可变电阻R的阻值,使电压表V的示数增大△U,在这个过程中(? )

A.通过R1的电流增加,增加量一定等于
B.R2两端电压减小,减少量一定等于
C.通过R2的电流减小,但减少量一定等于:
D.路端电压增加,增加量一定等于
参考答案:A
本题解析:当外电阻增大时根据闭合电路欧姆定律可知电路中电流减小,则内电压减小、R2两端电压减小、路端电压增大(电动势减去内电压)
定值电阻
所以通过R1的电流增加,增加量一定等于
A对
路端电压等于
两端电压之和,R2两端电压减小,减少量小于
(则必然通过R2的电流减小,但减少量小于:
)路端电压增加,增加量也小于
故可知BCD都错。
本题难度:一般
4、简答题 如图所示,足够长的两根相距为0.5m的平行光滑导轨竖直放置,导轨电阻不计,磁感应强度B为0.8T的匀强磁场的方向垂直于导轨平面.两根质量均为0.04kg、电阻均为0.5Ω的可动金属棒ab和cd都与导轨始终接触良好,导轨下端连接阻值为1Ω的电阻R,金属棒ab用一根细绳拉住,细绳允许承受的最大拉力为0.64N.现让cd棒从静止开始落下,直至细绳刚被拉断时,此过程中电阻R上产生的热量为0.2J,求:
(1)此过程中ab棒和cd棒产生的热量Qab和Qcd;
(2)细绳被拉断瞬时,cd棒的速度v.
(3)细绳刚要被拉断时,cd棒下落的高度h.
参考答案:(1)由焦耳定律,得? Q=I2Rt
? 又由电路串并联规律得?Iab:Icd:IR=2:3:1
? 则Qab=2QR=0.4J?Qcd=92QR=0.9J
此过程中ab棒和cd棒产生的热量Qab=0.4J,Qcd=0.9J
(2)当ab棒被拉断瞬间有?F+mg-Tm=0
? F=BIL?
? ?由欧姆定律得,I=ER?总×23
? R总=r+rRr+R=56Ω
?由电磁感应定律,得:E=BLv
? v=1.875m/s
细绳被拉断瞬时,cd棒的速度1.875m/s
? (3)cd棒下落过程由能量守恒得
? mgh=12mv2+Qab+Qcd+QR
? 则? h≈3.926m
细绳刚要被拉断时,cd棒下落的高度为3.926m
本题解析:
本题难度:一般
5、选择题 如图所示,电路中电源电动势E恒定,内阻r=2Ω,定值电阻R3=4Ω。ab段电路消耗的电功率在开关S断开与闭合时相等,则以下说法中正确的是

A.电阻R1、R2可能分别为3Ω、9Ω
B.电阻R1、R2可能分别为4Ω、6Ω
C.开关S断开时电压表的示数一定等于S闭合时的示数
D.开关S断开与闭合时,电压表的示数变化量大小与电流表的示数变化量大小之比与R1、R2无关
参考答案:AD
本题解析:AB、由题知,电键S断开与闭合时,ab段电路消耗的电功率相等,则有
,将
,
代入方程成立,将
,
代入方程不成立;A正确
C、电键S断开时外电路总电阻大于S闭合时外电路总电阻,则电键S断开时电压表的示数一定大于S闭合时的示数;错误
D、根据闭合电路欧姆定律得:
,则压表的示数变化量大小与电流表的示数变化量大小之比为
,与
?、
无关;正确
故选AD
点评:当S闭合时
被短路,根据电键S断开与闭合时,ab段电路消耗的电功率相等,列出方程,将电阻
?、
代入,选择使方程成立的阻值;根据外电路总电阻的变化,分析电压表示数的大小关系;根据闭合电路欧姆定律求解电键S断开与闭合时电压表的示数变化量大小与电流表的示数变化量大小之比。
本题难度:一般
In the coldest flint there is hot fire. 冰冷的燧石里有烈火.