微信搜索关注"91考试网"公众号,领30元,获取公务员、事业编、教师等考试资料40G!
1、填空题 下图为电子技术中的部分电路,前级输出的电流中既有直流成分,又有交流成分。如果只需要把交流成分输送到下一级装置,应在a、b两点间接入一个_________;如果只需要把直流成分输送到下一级装置,应在a、b两点间接入一个_________。(选填电阻器、电容器或电感器)?

参考答案:电容器,电感器
本题解析:
本题难度:一般
2、填空题 在交变电流路中,如果把电感的作用概括为“通直流,阻交流;通?,阻?。”则对电容的作用可概括为:通?,隔?;通?,阻?。
参考答案:低频,高频,交流,直流,高频,低频
本题解析:本题考查电感和电容的作用,电感线圈可以通直流阻交流通低频阻高频,电容可以通交流阻直流通高频阻低频;
本题难度:一般
3、选择题 在交流电路中,交流电源电动势的有效值不变,频率可以改变,在图示电路的电键闭合时,使交流电源的频率减小,可以观察到下列论述的哪种情况

[? ]
A.A1、A2、A3的读数均不变
B.A1的读数不变,A2的读数增大,A3的读数减小
C.A1的读数增大,A2的读数不变,A3的读数减小
D.A1的读数减小,A2的读数不变,A3的读数增大
参考答案:D
本题解析:
本题难度:简单
4、选择题 不定项选择
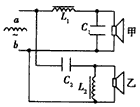
“二分频”音箱内有两个不同口径的扬声器,它们的固有频率分别处于高音、低音频段,分别称为高音扬声器和低音扬声器。音箱要将扩音机送来的含有不同频率的混合音频电流按高、低频段分离出来,送往相应的扬声器,以便使电流所携带的音频信息按原比例还原成高、低频的机械振动。如图所示为音箱的电路图,高、低频混合电流由a、b输入,L1和L2是线圈,C1和C2是电容器,则(? )

A.甲扬声器是高频扬声器
B.C2的作用是阻碍低频电流通过乙扬声器
C.L1的作用是阻碍低频电流通过甲扬声器
D.L2的作用是减弱乙扬声器的低频电流
参考答案:BD
本题解析:
本题难度:一般
5、选择题 关于扼流圈的说法,正确的是( )
A.扼流圈是利用电感阻碍交变电流的作用制成的
B.低频扼流圈用来“通低频,阻高频”
C.高频扼流圈用来“通直流,阻交流”
D.高频扼流圈对低频交变电流阻碍作用较小,对高频交变电流阻碍作用很大
参考答案:A、扼流圈就是电感线圈,利用通过交流电时产生的自感电动势阻碍电流的变化.即扼流圈是利用电感对交流电的阻碍作用制成的.故A正确.
B、低频扼流圈由于电感很大,低频扼流圈的作用是通直流阻交流,故B错误;
C、D、高频扼流圈由于电感很小,其作用是通直流、通低频,阻高频,故C错误;D正确.
故选:AD.
本题解析:
本题难度:一般
A wise man cares not for what he cannot have. 智者不为自己得不到的东西而烦恼.