微信搜索关注"91考试网"公众号,领30元,获取公务员、事业编、教师等考试资料40G!
1、简答题 如图,P、Q为水平面内平行放置的光滑金属长直导轨,间距为L=30cm,处在竖直向下、磁感应强度大小为B=10T的匀强磁场中.一导体杆ef垂直于P、Q放在导轨上,在外力作用下向左以v=8m/s做匀速直线运动.现有一质量为m=0.64Kg、每边电阻为r=10Ω、边长为s=20cm的正方形金属框abcd用一个插销拴着,固定置于竖直平面内,两顶点a、b通过细导线与导轨相连,磁感应强度大小也为B=10T的匀强磁场垂直金属框向里,不计其余电阻和细导线对a、b点的作用力,g=10m/s2求:
(1)通过ab边的电流Iab
(2)导体杆ef所受外力F的大小;
(3)通过计算说明,拔掉插销后,金属框abcd处于什么运动状态?

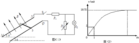
2、简答题 如图(1)所示,
两足够长平行光滑的金属导轨MN、PQ相距为0.8m,导轨平面与水平面夹角为α,导轨电阻不计.有一个匀强磁场垂直导轨平面斜向上,长为1m的金属棒ab垂直于MN、PQ放置在导轨上,且始终与导轨电接触良好,金属棒的质量为0.1kg、与导轨接触端间电阻为1Ω.两金属导轨的上端连接右端电路,电路中R2为一电阻箱.已知灯泡的电阻RL=4Ω,定值电阻R1=2Ω,调节电阻箱使R2=12Ω,重力加速度g=10m/s2.将电键S打开,金属棒由静止释放,1s后闭合电键,如图(2)所示为金属棒的速度随时间变化的图象.求:
(1)斜面倾角α及磁感应强度B的大小;
(2)若金属棒下滑距离为60m时速度恰达到最大,求金属棒由静止开始下滑100m的过程中,整个电路产生的电热;
(3)改变电阻箱R2的值,当R2为何值时,金属棒匀速下滑时R2消耗的功率最大;消耗的最大功率为多少?

3、简答题 如图所示,正方形单匝均匀线框abcd,边长L=0.4m,每边电阻相等,总电阻R=0.5Ω.一根足够长的绝缘轻质细线跨过两个轻质光滑定滑轮,一端连接正方形线框,另一端连接绝缘物体P,物体P放在一个光滑的足够长的固定斜面上,斜面倾角θ=30°,斜面上方的细线与斜面平行.在正方形线框正下方有一有界的勻强磁场,上边界I和下边界II都水平,两边界之间距离也是L=0.4m.磁场方向水平,垂直纸面向里,磁感应强度大小B=0.5T.现让正方形线框的cd边距上边界I的正上方高度h=0.9m的位置由静止释放,且线框在运动过程中始终与磁场垂直,cd边始终保持水平,物体P始终在斜面上运动,线框刚好能以v=3m/S的速度进入勻强磁场并匀速通过匀强磁场区域.释放前细线绷紧,重力加速度g=10m/s2,不计空气阻力.
(1)线框的cd边在匀强磁场中运动的过程中,c、d间的电压是多大?
(2)线框的质量m1和物体P的质量m2分别是多大?
(3)在cd边刚进入磁场时,给线框施加一个竖直向下的拉力F使线框以进入磁场前的加速度匀加速通过磁场区域,在此过程中,力F做功w=0.23J,求正方形线框cd边产生的焦耳热是多少?

4、简答题 如图,两根相距l=1m平行光滑长金属导轨电阻不计,被固定在绝缘水平面上,两导轨左端接有R=2Ω的电阻,导轨所在区域内加上与导轨垂直、方向相反的磁场,磁场宽度d相同且为0.6m,磁感应强度大小B1=
T、B2=0.8T.现有电阻r=1Ω的导体棒ab垂直导轨放置且接触良好,当导体棒ab以v=5m/s从边界MN进入磁场后始终作匀速运动,求:
(1)导体棒ab进入磁场B1时拉力的功率;
(2)导体棒ab经过任意一个B2区域过程中通过电阻R的电量;
(3)导体棒ab匀速运动过程中电阻R两端的电压有效值.
5、选择题 如图甲所示,光滑的平行水平金属导轨MN、PQ相距L,在MP之间接一个阻值为R的电阻,在两导轨间cdfe矩形区域内有垂直导轨平面竖直向上、宽为d的匀强磁场,磁感应强度为B.一质量为m、电阻为r、长度也刚好为L的导体棒ab垂直搁在导轨上,与磁场左边界相距d0.现用一个水平向右的力F拉棒ab,使它由静止开始运动,棒ab离开磁场区域前已做匀速直线运动,棒ab与导轨始终保持良好接触,导轨电阻不计,F随ab与初始位置的距离x变化的情况如图乙所示,F0已知.下列判断正确的是( )
A.棒ab在ac之间的运动是匀加速直线运动
B.棒ab在ce之间可能先做加速度减小的运动,再做匀速运动
C.棒ab在ce之间不可能一直做匀速运动
D.棒ab经过磁场的过程中,通过电阻R的电荷量为