1、选择题 某交流电压的瞬时值u=Umsin100πt,当t=1/600s时,u=5
V,则从电压表中读得的数值为? (? )
A.5V
B.5
V
C.10V
D.10
V
参考答案:C
本题解析:分析:先根据已知条件带入正弦交流电的电压瞬时值求出最大值,再根据U=
?求解有效值,交流电压表的读数即为有效值.
解答:解:把t=1/600s时,u=5
V带入u=Umsin100πt得:Um=10
V
根据U=
=10V
故选C.
点评:解答本题的关键是掌握交流电压表的读数为有效值及有效值与最大值的关系.
本题难度:简单
2、选择题





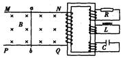
A.若ab棒匀速运动,则
B.若ab棒匀加速运动,则
C.若ab棒做加速度变小的加速运动,则
D.若ab棒在某一中心位置附近做简谐运动,则
参考答案:BD
本题解析:当ab棒匀速运动时,产生的电动势
恒定,则原线圈中有恒定的电流通过,产生稳定的磁场,通过副线圈的磁通量不变,副线圈上不产生电压,则
,A错.当ab棒匀加速运动时,产生的电动势均匀增加。原线圈中的电流均匀增大,产生的磁场均匀增强,则副线圈中的磁通量均匀增大,副线圈就会产生一个恒定的电压,那么
,B正确。当ab棒做加速度变小的加速运动时,ab产生的电动势变化越来越慢,同理可知在副线圈上将产生一个逐渐减小的电压,则
,而电容器要不停的放电而使
,故C错误。当ab棒做简谐运动时,ab棒将产生正弦或余弦交变电流,在副线圈上也将感应出正弦或余弦交变电压,从而
,D正确。
本题难度:简单
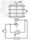
3、填空题 如图线圈的面积2.0×103cm2,共100匝。处在B=0.5T的匀强磁场中,以50周/秒的转速匀速转动,已知线圈电阻为1Ω,外接电阻为9Ω,电键K合上后电压表的读数是__________,以图示位置为计时零点,写出电流的表达式__________。

参考答案:1998V;i=314cos314t
本题解析:
本题难度:一般
4、选择题 如图甲所示为一台小型发电机构造的示意图,线圈逆时针转动,产生的电动势随时间变化的正弦规律图象如图乙所示。发电机线圈内电阻为l.0
,外接灯泡的电阻为9.0
。则

A.在t=0.0ls的时刻,穿过线圈磁通量为零
B.瞬时电动势的表达式为
C.电压表的示数为6V
D.通过灯泡的电流为0.6A
参考答案:D
本题解析:在t=0.0ls的时刻,感应电动势为零,此时穿过线圈磁通量最大;因为T=0.02s,
,瞬时电动势的表达式为
;电动势有效值为6V,电路中的电流
;电压表读数为
。选项D正确。
本题难度:简单
5、选择题 如图所示,矩形线圈abcd
在匀强磁场中沿逆时针方向匀速转动,可产生交流电.当线圈转到图示位置时,电流表指针偏向右方,当线圈由图示位置继续转动,下列说法中正确的是?

[? ]
A、线圈在转过
-π的过程中,表针向右偏转
B、线圈在图示位置时,线圈中电流改变方向?
C、线圈在转过-2 π的过程中,表针向左偏转?
D、线圈在转过-2 π的过程中,表针向右偏转
参考答案:D
本题解析:
本题难度:一般