1、实验题 在测定一节干电池的电动势和内电阻的实验中,备有下列器材:
A.待测的干电池(电动势E约为1.5 V,内电阻r小于1.0Ω)
B.电流表A1(0~3 mA,内阻Rg1=10Ω)
C.电流表A2(0~0.6 A,内阻Rg2="0.5Ω)"
D.滑动变阻器R1(0~2.5Ω,1 A)?
E.滑动变阻器R2(0~20Ω,l A)
F.定值电阻R0 (500Ω)?
G.开关和导线若干
(1)某同学发现上述器材中虽然没有电压表,但给出了两个电流表,于是他设计了如图所示中甲的(a)、 (b)两个参考实验电路,其中合理的是?图所示的电路(填写“a”或“b”);在该电路中,为了操作方便且能准确地进行测量,滑动变阻器应选? (填写器材前的字母代号).
(2)该同学根据(1)中选出的合理的实验电路利用测出的数据绘出I1―I2图线(I1为电流表A1的示数,I2为电流表A2的示数),请在图乙坐标系中作出I1―I2的定性图线。
则图线斜率的绝对值等于?。(用题中所给的各物理量的符号表示)
(3)若将图线的纵坐标改为?,横轴仍为I2,则图线与纵坐标轴的交点的物理含义即为电动势的大小。

参考答案:(1) b?(2分)?D?(2分)
(2)
(2分)?(2分)?
(3)I1(R0+Rg1+r)?(2分) 
本题解析:略
本题难度:一般
2、计算题 (10分)
在用电流表和电压表测电池电动势和内电阻的实验中:
(1)请你用实线代替导线把实物图连成实验电路,注意两个电表选用适当量程,并要求滑动变阻器的滑动片在左端时其电阻值最大;

(2)某同学记录的6组数据见表,试根据这些数据在图中画出U-I图线,根据图线求出电池的电动势E=_______V,内阻r=_______Ω(结果要求保留到小数点后两位)。
?
| 1
| 2
| 3
| 4
| 5
| 6
|
U/V
| 1.37
| 1.32
| 1.24
| 1.16
| 1.10
| 1.05
|
I/A
| 0.12
| 0.20
| 0.31
| 0.32
| 0.50
| 0.57
|
?
参考答案:
(1)如图所示。

(4分)②或③或⑥仅错一处得2分,错两处或两处以上得0分[
(2)1.45(±0.02),0.71(±0.03)(每空2分)
图像拟合,其中点(0.32,1.16)剔除,其余各点在倾斜直线上(图略)(2分)
本题解析:略
本题难度:一般
3、简答题 在测量某一定值电阻Rx阻值的实验中,张楠同学选定了如图所示的器材进行实验.实验过程中,由于李骅同学的疏忽,做完实验后他才发现,把测量的电流值都写在如图1所示草稿纸上而忘记填人记录表格中.
| 实验次数 | 1 | 2 | 3 | 4 | 5 压U/V 0.5 1.0 1.5 2.0 2.5 电流I/A
|

(1)请你帮助李骅同学把记录在草稿纸上的电流值对应填人表格中,并写出你所依据的物理规律是______
(2)根据测量数据计算该定值电阻的阻值为______Ω(保留一位小数)
(3)根据实验所需电路,用笔画线代替导线完成图2中的实物连接.
(4)滑动变阻器在实验中除能起保护电路的作用外,另一个主要作用是______.
(5)若电源电压恒定且未知,用电阻箱R(电路符号

)代替滑动变阻器,同时撤去电流表,请利用余下器材(不要再添加其它任何器材)设计一个测量RX阻值的实验电路图,并在图3中的方框中画出.2分)
参考答案:(1)电阻一定时,电流跟电压成正比,电压增大,电流增大,把草稿纸上的电流值对应填入表格中.
实验次数12345电压U/V0.51.01.52.02.5电流I/A0.100.180.300.420.50(2)根据欧姆定律:R=UI.R1=U1I1=5Ω;R2=U2I2=1.00.18=5.5Ω;R3=U3I3=5.0Ω;R4=U4I4=4.76Ω;R5=U5I5=5.0Ω;.R=R1+R2+R3+R4+R55=5.1Ω
(3)电压表与未知电阻并联,滑动变阻器按一上一下的原则串联在电路中,滑动变阻器滑片向左移动时电压表示数变小说明电路中的电流变小、滑动变阻器接入电路的电阻变大即右下方接线柱必须接入电路中.如下左图所示

(4)改变电阻两端的电压来改变通过的电流,以达到多次测量取平均值的目的,减小误差.
(5)这是一道开放性试题,只要电路图设计符合题目要求,能达到实验目的即可.
如:若电源电压恒定,用电阻箱R代替滑动变阻器,同时撤去电流表,可以使用电压与电阻箱的阻值的比值表示电流,根据I=UR,先把电压表接在电阻箱上,测量完毕后,再接在待测电阻上,测量完毕后,根据R=UI即可求出R的阻值.如上右图是两种参考电路图.
故答案为:(1)表略;(2)5.1Ω;(3)连接图见上;(4)改变电阻两端的电压来改变通过的电流,以达到多次测量取平均值的目的,减小误差.(5)见上图.
本题解析:
本题难度:一般
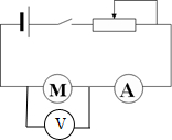
4、简答题 要测定一台直流电动机的效率.给你电源、电压表、电流表、滑动变阻器、开关、砝码盘(已知质量)砝码若干、停表、刻度尺、细绳一根、导线若干.
(1)请你在答题纸相应的空白处画出实验电路图.
(2)本实验要测定的物理量是F及______、______、______、______、.
(3)如果某同学根据测得的数据计算出P出=0.18w;?P入=0.21w.则大体可计算出该直流电动机的效率η=______.
(4)如果要比较准确地得到该直流电动机的效率可采取的方法是:______.
(5)根据实验可得到直流电动机的效率总是:______1.(选填“<”、或“>”、或“=”)
(6)如果有一台电动机的效率是85%,请分析它的能量转换情况:______.
参考答案:

(1)实验电路图如图所示.
(2)电动机效率η=W有W总=FhUIt,实验过程中需要测量:物体上升的高度h、电动机两端电压U、通过电动机的电流I、电动机工作时间t.
(3)电动机的效率η=P出P入=0.18W0.21W≈85.7%.
(4)多次测量求平均值可以比较准确地得到该直流电动机的效率.
(5)电动机消耗的电能一部分转化为机械能,一部分转化为内能,机械能小于电动机消耗的总能量,电动机的效率小于1.
(6)电动机的效率是85%,则电动机消耗电能的85%转化为机械能、15%转换为内能等其它形式的能.
故答案为:(1)电路图如图所示(2)h;I;U;t;(3)85.7%;(4)多次测量求平均值;(5)<;(6)电能的85%转化为机械能、15%转换为内能等其它形式的能.
本题解析:
本题难度:一般
5、填空题 某电压表的内阻在20千欧~50千欧之间,现要测量其内阻,实验室提供下列可选用的器材:
待测电压表V(量程3V)
电流表A1(量程200μA)
电流表A2(量程5mA)
电流表A3(量程0.6A)
滑动变阻器R(最大阻值1KΩ)
电源ε(电动势4V)
电键K.
(1)所提供的电流表中,应选用______(填写字母代号).
(2)为了尽量减小误差,要求测多组数据.试在方框中画出符合要求的实验电路图(其中电源和电键及其连线已画出).

参考答案:(1):根据欧姆定律可求出通过待测电压表的最大电流为:Imax=URx=320mA=150μA,所以电流表应选A1;
(2):根据欧姆定律可知,应将待测电压表与电流表A1串联成为测量电路;
由于滑动变阻器的全电阻远小于待测电压表的内阻,所以变阻器应采用分压式接法,电路图如图所示:

故答案为:(1)A1
(2)如图
本题解析:
本题难度:一般