1、简答题 有一个小灯泡上标有“4.8V?2W”的字样,为描绘小灯泡的伏安特性曲线,有下列器材可供选用:
A.电压表V(0~3V,内阻3kΩ)?B.电流表A(0~0.6A,内阻约1Ω)
C.定值电阻R1=3kΩ?D.定值电阻R2=15kΩ
E.滑动变阻器R3(10Ω,2A)? ?F.滑动变阻器R4(1000Ω,0.5A)
G.学生电源(直流6V,内阻不计)?H.开头、导线若干
(1)提供的电压表不能满足实验要求,可以将一个定值电阻与电压表V串联扩大其量程,定值电阻应选用______(填写器材前面序号字母);
(2)实验中滑动变阻器应选用______(填写器材前面序号字母);
(3)请在指定的方框内画出满足实验要求的电路图.
参考答案:(1)电压表在扩大量程时所串联电阻越大,则所扩大的量程也越大,该题中电压表量程大于灯泡的额定电压4.8V即可,因此选择电阻C与该电压表串联即可,这样即将电表表扩大为6V;
故答案为:C.?
(2)由于该实验采用滑动变阻器的分压接法,因此选择阻值小的滑动变阻器,即选择E.
故答案为:E.?
(3)描绘小灯泡的伏安特性曲线,由于需要多测数据,且电压要求从零条件,因此滑动变阻器采用分压接法,由于灯泡电阻较小,因此安培表外接,由此可画出实验原理图如下所示:

本题解析:
本题难度:一般
2、简答题 二极管是一种半导体元件,它的符号为“

”,其特点是具有单向导电性,即电流从正极流人时电阻比较小,而从负极流入时电阻比较大.
(1)某课外兴趣小组想要描绘某种晶体二极管的伏安特性曲线.因二极管外壳所印的标识模糊,为判断该二极管的正、负极,他们用多用电表电阻挡测二极管的正、反向电阻.其步骤是:将选择开关旋至合适倍率,进行欧姆调零,将黑表笔接触二极管的左端、红表笔接触右端时,指针偏角比较小.然后将红、黑表笔位置对调后再进行测量,指针偏角比较大,由此判断______(选填“左”、“右”)端为二极管的正极.
(2)厂家提供的伏安特性曲线如下图,为了验证厂家提供的数据,该小组对加正向电压时的伏安特性曲线进行了描绘,可选用的器材有:
A.直流电源E:电动势3V,内阻忽略不计
B.滑动变阻器R:0~20Ω
C.电压表V-:量程5V、内阻约50kΩ
D.电压表V::量程3V、内阻约20kΩ
E.电流表A:量程0.6A、内阻约0.5Ω
F.电流表mA:量程50mA、内阻约5Ω
G.待测二极管D
H.单刀单掷开关S,导线若干
为了提高测量结果的准确度,电压表应选用______,电流表应选用______(填序号字母).
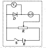
(3)为了达到测量目的,请在答题卡上画出正确的实验电路原理图
(4)为了保护二极管,正向电流不要超过25mA,请你对本实验的设计或操作提出一条合理的建议:______.
参考答案:

(1)欧姆表内部有电源,电源正极接在负接线柱上,当红表笔接触右端时,说明红表笔接入电源的负极;此时指针偏角较小,说明电阻较大,故说明接入了反向电压,故二极管右端应为正极;
?电源电压为3V,故电压表应选3V量程进行测量;而由坐标可知,电路中电流较小,故电流表应选50mA的即可;
(3)为了得出完整的 图象,应采用分压接法,同时因正向电阻较小,故可以采用外接法,原理图如图;
(4)为了防止超过最大电流,可以在电路中串接保护电阻;同时也可以通过实验方法,即慢慢调节滑动触片,注视电流表,使电流表示数不得超过25mA;
故答案为:(1)右;(2)D?F?(3)见图?(4)可能的答案:a.在二极管支路串人一阻值合适的限流电阻起保护作用.b.闭合开关前滑动触头停在最左端,向右移动滑动触头时应缓慢进行,同时仔细观察电流表示数变化,以防止电流超过25?mA(只要回答合理均可)
本题解析:
本题难度:一般
3、填空题 在做“测定金属丝的电阻”的实验中,若待测电阻丝的电阻值约为5Ω,要求测量结果尽量准确,提供以下器材供选择:
A.电池组(3V,内阻约1Ω)
B.电流表(0~3A,内阻0.0125Ω)
C.电流表(0~0.6A,内阻约0.125Ω)
D.电压表(0~3V,内阻4KΩ)
E.电压表(0~15V,内阻l?15KΩ)
F.滑动变阻器(0~20Ω,允许最大电流1A)
G.滑动变阻器(0~2000Ω,允许最大电流0.3A)
H.开关、导线若干
(1)实验时应从上述器材中选用______(填写仪器前字母代号)
(2)测电阻时,电流表、电压表、待测电阻Rx在组成图示测量电路时,电压表右侧应接______(选填“a”或“b”),测量值比真实值偏______(选填“大”或“小”).
参考答案:(1)电池组A必选,由于电动势是3 V,用3 V量程的电压表D;因为电阻丝的电阻大约为5Ω,如果把3 V的电动势全加在电阻丝上,电流才是0.6 A,因此用量程是0.6 A的电流表C;此题中金属丝的电阻大约为5Ω,为了减小实验误差,应选10Ω的滑动变阻器F,还有连接电路必要的导线开关H,所以实验器材选用ACDFH;
(2)因为待测电阻与电流表和电压表内阻相比较,远小于电压表的内阻,属于小电阻,属于电流表采用外接法误差较小,属于电压表右侧应接a端.此时由于电压表起分流作用,电流表测量通过电阻的电流偏大,根据欧姆定律,则测量值比真实值偏小.
故答案为:(1)ACDFH?(2)a?(3)小
本题解析:
本题难度:一般
4、简答题 检测一个标称值为5Ω的滑动变阻器.可供使用器材如下:
A.待测滑动变阻器Rx,全电阻约5Ω(电阻丝绕制紧密,匝数清晰可数)
B.电流表A1,量程0.6A,内阻约0.6Ω?C.电流表A2,量程3A,内阻约0.12Ω
D.电压表V1,量程15V,内阻约15KΩ?E.电压表V2,量程3V,内阻约3KΩ
F.滑动变阻器R,全电阻约20Ω?G.直流电源E,电动势3V,内阻不计
H.毫米刻度尺?I.电键S导线若干
(1)用伏安法测定Rx的全电阻值,所选电流表______(填“A1”或“A2”),所选电压表为______(填“V1”或“V2”).
(2)画出测量电路的原理图,并根据所画原理图将图中实物连接成测量电路.
(3)为了进一步测量待测滑动变阻器电阻丝的总长度,在不破坏变阻器的前提下,课外活动小组的同学设计了一个小实验.已知滑动变阻器使用电阻丝的电阻率ρ.
主要操作步骤:
①数出变阻器线圈表层缠绕匝数n;用毫米刻度尺(也可以用游标卡尺)测量所有线圈的排列长度L,可得电阻丝的直径为______;从而算出电阻丝的横截面积为______
②根据伏安法测出电阻丝的电阻值R,可写出绕制这个滑动变阻器电阻丝的长度的表达式:______.(用题中所给的字母表达)

参考答案:(1)根据欧姆定律估算出通过待测电阻的最大电流为I=UR=35A=0.6A,所以电流表应选A?1,因为电源电动势为3V,所以电压表应选V?2.
(2)由于R?VR?x>R?xR?A,所以电流表应用外接法,
滑动变阻器可以用分压式,电路图如图1所示,
若用限流式接法,根据闭合电路欧姆定律估算出电路中需要的最大电阻为R?max=E13I?A=313×0.6Ω=15Ω,因其小于滑动变阻器的全电阻,所以可以用限流式接法,电路图如图2所示.

(3)①电阻丝的直径d=Ln,根据s=π(d2)2?可得s=πL24n2.
②根据R=ρLs,可得电阻丝长度l=RπL24ρn2
故答案为(1)A?1,V?2
? (2)如图所示
? (3)①Ln,②πL2?4n2?,③RπL24ρn2
本题解析:
本题难度:一般
5、实验题 (10分)某学习小组研究用碳丝做成的电阻导电规律。在实验中测得电阻两端的电压与通过电流的数据如下表:

(1)粗测其电阻,应选择多用电表 _____________(选填“1”、“×10”或后,“×100”)分倍率的电阻挡;调零将表笔分别与电阻的两端连接,示数如图所示,结果为_________Ω。

(2)利用测量的数据,在所给的坐标纸上描点画出该电阻的伏安特性曲线。

(3)根据画出的伏安特性曲线可知,该导体的电阻率随温度升高而________________(填“增大”、“减小”或“不变”)。
(4)若把该电阻R接入图示电路时,电流表的读数为0.10A,已知A、B两端电压恒为3.0V,则定值电阻R0阻值为_____________Ω。
参考答案:⑴×1? 18(4分) ⑵(2分)
?
⑶减小(2分) ⑷16(2分)
本题解析:(1)在用万用表测电阻时应该让指针指在中间左右误差最小,所以粗测时选用×1挡⑵略(3)斜率等于电阻的倒数,斜率增大,电阻减小,所以电阻率随温度升高而减小⑷在伏安特性曲线中读出电流为0.1A时的电压U1,电阻R0两端的电压为U-U1,再由U-U1=IR0求出电阻R0
本题难度:简单
Patience! The windmill never strays in search of the wind. 耐心等待! 风车从不跑去找风.