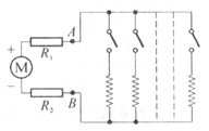
1、计算题 (14分)如图所示的电路中,直流发电机M的电动势E="250" V,内阻r =0.5Ω,R1 =R2 =1Ω.电热器组中装有50只完全相同的电热器,每只电热器的额定电压为200 V,额定功率为l 000 W,其他电阻不计,也不计电热器电阻随温度的变化.问:
(1) 当接通几只电热器时,实际使用的电热器都能正常工作?
(2) 当接通几只电热器时,被接通电热器的总消耗功率最大?
(3) 当被接通电热器的总消耗功率最大时,电阻R1、R2和内阻r上消耗的功率分别为多少?

参考答案:(1)4个(2)16个(3)P1=P2="2500w" ?Pr=1250w
本题解析:(1) 实际使用的电热器都能正常工作,则电热丝两端电压为200V,干路电流
,所以
,即
(2) 当内外电阻相等时,被接通电热器的总消耗功率最大,即
,所以
,则
(3) 当被接通电热器的总消耗功率最大时,干路电流
,所以电阻R1、R2消耗的功率
,内阻r上消耗的功率
故答案为:(1)4个(2)16个(3)P1=P2="2500w" ?Pr=1250w
本题难度:一般
2、选择题 一个直流电动机内阻为 R,所加电压为U,电流为 I,当它工作时,下述说法中错误的是(?)
A.电动机的输出功率为U2/R
B.电动机的发热功率为I2R
C.电动机的输出功率为IU-I2R
D.电动机的功率可写作IU=I2R=U2/R
参考答案:AD
本题解析:电动机为非纯电阻仪器,所以电动机的输出功率
故AD错误C正确,
电动机的发热功率为
,B正确,
故选AD,
点评:解决本题的关键掌握电动机输入功率、输出功率、发热功率之间的关系.
本题难度:一般
3、选择题 把家用电炉的电热丝剪去一小段后继续使用,则在同样的时间内( )
A.由Q=I2Rt可知,电炉的发热量减少
B.由Q=UIt可知,电炉的发热量不变
C.由
可知,电炉的发热量增大
D.无法确定
参考答案:C
本题解析:因家用电路U="220" V不变,则从
可知R减小,Q将增大.?
本题难度:简单
4、填空题 有一款绿色环保电冰箱的产品规格见表格该电冰箱每次压缩机运转制冷时间为6min,在不打开冰箱门的情况下制冷时间的间隔是均匀相等的,由此推断电冰箱每小时完整制冷的次数是______ 次. 
参考答案:3
本题解析:由表格耗电量的参数0.89kwh/24h可计算每小时耗电量为
,输入功率为118w,可求出6分钟共输入的能量,次数
本题难度:简单
5、填空题 (4分)在如图甲所示的电路中,电源电动势为3.0V,内阻不计,L1、L2、L3为3个相同规格的小灯泡,这种小灯泡的伏安特性曲线如图乙所示。当开关S闭合后L1消耗的电功率为?W ,L2的电阻为?Ω。

参考答案:0.75? 7.5
本题解析:由电路图知,L1的两端电压为3.0V,由I-U图象读出电流I=0.25A,L1消耗的电功率
0.75W,由电路图知,L2的 两端电压为1.5V,由I-U图象读出电流I=0.20A,L2的电阻
=7.5W.
本题难度:一般
First thrive and then wive. 先立业,后成家.