| 高考省级导航 | |
|
|
|
高考物理试题《闭合电路的欧姆定律》高频考点特训(2018年必看版)(一)
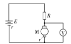
H.游标卡尺? I.毫米刻度尺? J.电键S导线若干 (1)用伏安法测定 的全电阻值,所选电流表___________(填" "或" "),所选电压表为_________(填" "或" ")。(2)画出测量电路的原理图,并根据所画原理图将下图中实物连接成测量电路。 ![]() (3)为了进一步测量待测量滑动变阻器电阻丝的电阻率,需要测量电阻丝的直径和总长度,在不破坏变阻器的前提下,请设计一个实验方案,写出所需器材及操作步骤,并给出直径和总长度的表达式。 ![]() ![]() 3、计算题 如图所示,电源电动势为50 V,电源内阻r为1.0Ω,定值电阻R为14Ω,M为直流电动机,电动机电阻r0为2.0Ω.电动机正常运转时,电压表的读数为35V.求在100s的时间内电源做的功和电动机上转化为机械能的部分各是多少?正常工作时电动机的效率是多少? 4、选择题 如图所示的电路中,由于电路出现故障,灯L1变暗,灯L2变亮,故障原因是( ) 5、选择题 如图所示是一光敏电阻自动计数器的一部分电路示意图,其中R1为光敏电阻,电流表为值班室的显示器,a、b之间接信号处理系统.当照射到光敏电阻R1处的光消失时,显示器的电流I及ab端的电压u的变化情况是( ) |

| 【大 中 小】【打印】 【繁体】 【关闭】 【返回顶部】 | |
| 下一篇:高考物理试卷《牛顿第二定律及应.. | |