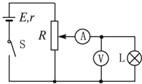
1、实验题 要测量一电源的电动势E(小于3 V)和内阻r(约1 Ω),现有下列器材:电压表V(3V和15 V两个量程)、电阻箱(0~999.9 Ω)、定值电阻R0=3 Ω、开关和导线。某同学根据所给器材设计如图甲的实验电路。

(1)电路中定值电阻R0的作用是___________________________。
(2)请根据图甲电路,在图乙中用笔画线代替导线连接电路。
(3)该同学调节电阻箱阻值R,读出对应的电压表读数U,得到两组数据:R1=2.0 Ω?时U1=2.37 V;R2=4.0 Ω时U2=2.51 V。由这两组数可求得电源的电动势为
E=?V,内阻为r=??Ω。
(4)为使最终测量结果更精确,在不改变实验方法、不更换实验器材的前提下,请
你对该同学提一条建议?。
参考答案:(1)保护电源?防止短路?
(2)
(3)2.94? 1.2
(4)多测量几组数据,分别求出对应的电动势和内阻,再求电动势的平均值和内阻平均值
本题解析:(1)由于
存在,不论电阻箱如何调整,电源都不会短路,
(2)连接时注意从电源正极出发连接电阻箱,定值电阻和开关,串联关系,最后再把电压表并联在电阻箱和定值电阻两端。电动势小于3v所以电压表量程选择
。
(3)根据闭合回路欧姆定律有
,带入数据即可得
,
,联立可解得
?
本题难度:一般
2、简答题 一个小灯泡L的电阻大约是10Ω,为了测量该灯泡比较准确的阻值,提供了以下器材:?A.电动势3V、内电阻约1Ω的电池;?
B.量程0~0.6A的电流表(内阻为0.5Ω),量程0~3.0V的电压表(内阻为2kΩ);?C.电阻调节范围0~10Ω的滑动变阻器,电键和导线若干.?
试设计一个电路,使电灯两端的电压调节范围尽可能大,把此电路图画在如图所示的虚线方框内.?
参考答案:

要使灯泡两端电压变化范围大,滑动变阻器应采用分压接法;
灯泡电阻约为10Ω,电流表内阻为0.5Ω,灯泡电阻是电流表内阻的20倍,
电压表内阻为2000Ω,是灯泡电阻的200倍,由此可见,
电压表内阻远远大于灯泡电阻,应采用电流表的外接法;
实验电路图如图所示.
本题解析:
本题难度:一般
3、实验题 (6分)在“描绘小灯泡的伏安特性曲线”实验中,“2.5V 0.5A"和小灯泡,内阻未知,请按要求完成以下操作:
(1)在图中完成实物连线;

(2)电路连好后,在闭合电键前,滑动变阻器的滑片应滑到?端(填“左”或“右”);
(3)闭合电键,将滑动变阻器的滑片滑动到某一位置,发现两表的指针指到如图所示位置,则小灯泡两端电压为?V,流过小灯泡的电流为?A;

(4)不断改变滑动变阻器滑片的位置,记录6组电压电流数据;
(5)在坐标纸上描点连线,得到如图所示伏安特性曲线。由曲线可知随着电压增大,小灯泡的阻值不断?。

参考答案:(1)如图所示

(2)左端?(3)1.90v? 0.42A?(5)R在变大
本题解析:(1)如图所示:测量小灯泡的伏安特性曲线,为了使测量更精确,需要使灯泡电压从零调起,则滑动变阻器接成分压式;由于电流表是小电阻,电流表接成外接法。

(2)如图所示,灯泡的电压需要从0调起,滑片在电键闭合之前要滑到最左端。
(3)如图所示,电压用1/10估读法,读数为19×0.10=1.90v;电流表用1/2估读法,读数为21×0.02=0.42A。
(5)图像的斜率表示为k=ΔI/ΔU=1/R,由图像可知斜率在减小,则电阻R在变大。
本题难度:一般
4、简答题 利用伏安法测电阻R的值,当按图(a)电流表外接时,电表读数分别为I1="2.1" A,U1="45.8" V;当按图(b)电流表内接时电表读数分别为I2="2" A,U2="50" V.求电阻R的实际阻值.(电源内阻很小,可忽略不计)
参考答案:23 Ω
本题解析:由题意,电源内阻忽略,则两种情况下路端电压相同,都等于图(b)中电压表的读数,即Ua=Ub=U2="50" V,设电流表内阻为RA,
按(a)图连接得RA=
?="2" Ω
按(b)图连接得
.
本题难度:简单
5、简答题 在“描绘小电珠的伏安特性曲线”实验中,所用器材有:小电珠(2.5V,0.6W),滑动变阻器,电流表,学生电源,开关,导线若干.

①利用小电珠的标称值可估算出小电珠正常工作时的电阻值约为______Ω.(计算结果保留2位有效数字)
②请根据实验原理图甲完成实物图乙中的连线.
③开关闭合前,应将滑动变阻器的滑片P置于______端.为使小电珠亮度增加,P应由中点向______端滑动.
④下表为电压等间隔变化测得的数据,为了获得更准确的实验图象,必须在相邻数据点______间多测几组数据(请填写“ab”“bc”“cd”“de”或“ef”).
| 数据点 | a | b | c | d | e | f U/V 0.00 0.50 1.00 1.50 2.00 2.50 I/A 0.000 0.122 0.156 0.185 0.216 0.244
|
⑤下列图象能正确表示小灯泡的伏安特性曲线的是______.

参考答案:(1)由P=U2R可得:R=U2P=2.520.6≈10Ω;
(2)先将滑动变阻器与电源、开关相连组成闭合回路,再将灯泡等并联在滑动变阻器的一部分中,注意导线不能交叉,且导线要接在接线柱上,特别注意滑动变阻器的接法;
(3)为了测量安全,灯泡两端的电压应为零,由图可知,灯泡与左端并联,故开始时,滑片应滑到a端;滑片向右移动时,并联部分长度增大,故灯泡两端的电压增大;
(4)因ab两段上电流变化较大,故为了更精确的画出I-U图象,在此段内应多测几组数据;故答案为:ab;
(5)因灯泡的电阻随温度的升高而增大,故在I-U图象中为斜率变化的曲线,故A正确;
故答案为:(1)10;(2)如下较;(3)a;b;(4)ab;(5)A.

本题解析:
本题难度:一般
He commands enough that obeys a wise man. 听从智者意见的人无需多问别人.