1、选择题 质量为m的物体静止在粗糙的水平面上,当此物体受水平力F作用运动距离S时,动能为Ek1,而当此物体受水平力2F作用相同的距离时,其动能为Ek2,则( )
A.Ek2=Ek1
B.Ek2=2Ek1
C.Ek2>2Ek1
D.Ek1<Ek2<2Ek1
参考答案:由动能定理可得:
FS-Wf=EK1----(1)
2F作用时,由动能定理可得:
2FS-Wf=EK2----(2)
将(1)式乘以2可得:
2FS-2Wf=2EK1,
则可得出EK2>2EK1;
故选C.
本题解析:
本题难度:简单
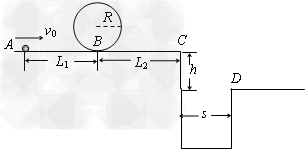
2、计算题 如图所示,一小球从A点以某一水平向右的初速度出发,沿水平直线轨道运动到B点后,进入半径R=10cm的光滑竖直圆形轨道,圆形轨道间不相互重叠,即小球离开圆形轨道后可继续向C点运动,C点右侧有一壕沟,C、D两点的竖直高度h=0.8m,水平距离s=1.2m,水平轨道AB长为L1=1m,BC长为L2=3m.小球与水平轨道间的动摩擦因数μ=0.2,重力加速度g=10m/s2。则:
(1)若小球恰能通过圆形轨道的最高点,求小球在A点的初速度?
(2)若小球既能通过圆形轨道的最高点,又不掉进壕沟,求小球在A点的初
速度的范围是多少?

参考答案:解:(1)对最高点受力分析,应用牛顿第二定律得:
?
从A到最高点应用动能定理得:
?
则A点的速度为3m/s
(2)C到D的运动时间:
?
C点的速度至少为:
?
到C点速度为0?
由第一问恰好过最高点时A点的速度也为3m/s可知,能保证不掉壕沟也能保证过最高点了
则从A到D应用动能定理
?
则A?的速度至少为5m/s或者是3m/s-4m/s
本题解析:
本题难度:一般
3、计算题 如图12所示,固定在竖直平面内的光滑轨道,由一段斜直轨道和与之相切的圆形轨道连接而成,圆形轨道半径为R。一质量为m的小物块(可视为质点)从斜直轨道上的A点由静止开始下滑,然后沿圆形轨道运动。A点距轨道最低点的竖直高度为4R。已知重力加速度为g。求:

(1)小物块通过圆形轨道最高点C时速度v的大小;
(2)在最高点C时,轨道对小物块的作用力F的大小。
参考答案:(1)
(2)
本题解析:(1)根据机械能守恒定律,从A点到C点,有
?(3分)
所以?
?(1分)
(2)经过最高点时,重力和轨道向下的弹力合力提供向心力
?(3分)
所以?
?(1分)
本题难度:一般
4、选择题 北京时间2013年6月26日8时7分,搭乘3名中国宇航员的神舟十号载人飞船返回舱,在位于内蒙古中部草原上的“神十”任务主着陆场预定区域顺利着陆.如图是“神舟十号”航天飞船返回舱返回地面的示意图,假定其过程可简化为:打开降落伞一段时间后,整个装置匀速下降,为确保安全着陆,需点燃返回舱的缓冲火箭,在火箭喷气过程中返回舱做减速直线运动,则( )
A.返回舱在喷气过程中机械能减少
B.返回舱在喷气过程中减速的主要原因是空气阻力
C.返回舱在喷气过程中所受合外力可能做正功
D.返回舱在喷气过程中宇航员处于失重状态