1、简答题 用多用电表进行一系列实验.
(1)某同学用多用电表测电阻R的阻值:
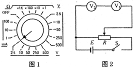
①如果按图甲所示那样测量,表上显示阻值大小R=______.
②为使多用电表欧姆挡测量该电阻的结果更为准确,完成步骤①后把表笔与电阻断开,然后______,
再______,
最后将待测电阻重新接到两表笔之间并读出读数.
③为了安全,所有测量结束后,要将多用表的转换开头打到______.
(2)要用图甲所示的多用表粗测一节1.5V左右的干电池的电动势,请在图乙中画出测量时转换开关(用箭头代表)应转到的位置.

(3)用已调到直流电压量程10V挡的多用电表V1,来尽可能精确地测出量程为3V的电压表V2的内阻RV2.现提供以下器材:
多用电表已调至直流电压量程10V挡(符号

内阻RV1=50kΩ)待测直流电压表(符号

,量程3V,内阻约15kΩ左右)
滑动变阻器R(0-100Ω)直流电源E(约15V,内阻不计);开关S和导线若干.
①在图丙的虚线方框中已画出部分实验元件符号,请将其余部分补充完整,成为本实验的电路图,并在图中标出各器材的英文字母代号.
②简要写出电源开关闭合后的实验步骤、要直接测量的物理量以及它们的英文字母代号:______.
③用已知量和直接测得量表示待测电压表内阻的表达式RV2=______.
参考答案:

(1)①欧姆表的读数等于100×10Ω=1000Ω=1kΩ.
②为了测量更精确,应将旋钮旋至“×100”挡,换挡后,将两表笔短接,调节Ω调零旋钮,使指针满偏(或指向Ω零点).
③为了安全,所有测量结束后,要将多用表的转换开头打到“OFF”(或填“交流500V”挡).
(2)测量电源的电动势,应将旋钮旋至电压档,为了测量准确,旋至量程为2.5V的挡位.如图1所示.
(3)若滑动变阻器采用限流式接法,因为电压表内阻较大,移动滑动变阻器,示数变化不大,所以滑动变阻器采用分压式接法.两电压表串联,如图所示.
实验时,调节R使V1、V2的指针偏转尽可能大,但不超过量程,读出V1的读数U1、V2的读数U2.
根据欧姆定律得,Rv2=U2I=U2U1RV1=U2U1?RV1.
故答案为:(1)①1kΩ
②将转换开关打到“×100”挡;将两表笔短接,调节Ω调零旋钮,使指针满偏(或指向Ω零点)
③“OFF”(或填“交流500V”挡)
(2)如图1
(3)①如图2
②调节R使V1、V2的指针偏转尽可能大,但不超过量程,
读出V1的读数U1、V2的读数U2
③RV2=U2U1?RV1
本题解析:
本题难度:一般
2、选择题 铅蓄电池的电动势为2V,这表示( ? )
A.铅蓄电池在1s内将2J的化学能转化为电能
B.铅蓄电池将1C的正电荷从正极移至负极的过程中,2J的化学能转变为电能
C.铅蓄电池将1C的正电荷从负极移至正极的过程中,2J的化学能转变为电能
D.铅蓄电池将化学能转变为电能的本领比一节干电池(电动势为1.5V)的大
参考答案:CD
本题解析:
本题难度:简单
3、简答题 如图所示,质量为m、带电荷量为q的粒子,以初速度v0沿偏转电场的中心线射入,极板间距为d,极板长为l,偏转电场所加电压为U,射出后打在距极板右端L远处的竖直荧光屏上,求打在荧光屏上的亮斑距荧光屏中心(荧光屏中心与偏转电场两极板的中心线在同一水平直线上)的距离y′.

参考答案:带电粒子在电场中偏转时在水平方向做匀速直线运动,沿电场方向做初速度为0的匀加速直线运动,根据类平抛知识可知:
带电粒子在电场中运动的时间t=lv0
带电粒子在电场中的加速度a=Fm=qEm=qUmd
所以粒子在电场方向上偏转的位移y1=12at2=12qUmd(lv0)2
带电粒子离开电场后,做匀速直线运动,其水平分速度为v0,竖直分速度为vy=at=qUlmdv0
带电粒从离开偏转电场到粒子打在屏上经历的时间t2=Lv0,粒子偏转方向的位移y2=vyt=qUlmdv0?Lv0=qUlLmdv20
所以粒子打在屏上偏转的总位移y′=y1+y2=qUl22mdv20+qUlLmdv20=qlUmdv20(L+l2)
答:带电粒子打在荧光屏上的亮斑距荧光屏中心(荧光屏中心与偏转电场两极板的中心线在同一水平直线上)的距离y′=qlUmdv20(L+l2).
本题解析:
本题难度:一般
4、选择题 从t=0时刻开始,在下列各种随时间变化的电场中,只考虑电场力作用,哪个电场能使原来静止的带电粒子做单一方向的直线运动

[? ]
A.只有②③
B.只有①④
C.只有①③
D.只有②④
参考答案:C
本题解析:
本题难度:一般
5、填空题 在测定金属丝电阻率的实验中,如图甲所示,用螺旋测微器测得金属丝的直径d=______________mm;如图乙所示,用多用电表的“×1”欧姆挡,调零后测得金属丝阻值R=_____________
,若实验中测出金属丝的长度为L,则该金属丝电阻率的表达式ρ=________________(用符号表示)。

参考答案:0.730;8.0;
本题解析:
本题难度:一般