| 高考省级导航 | |
| 
 | |
| 高中物理高考知识点《导体的伏安特性曲线》高频考点预测(2019年最新版)(四) 
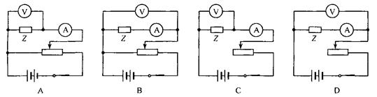
 F.直流稳压电源,输出电压12V,额定电流1A G.滑动变阻器,0~50Ω,0.5A H.电键一只,导线若干 ① 欧姆表测得的电阻值约为?Ω; ② 电流表应该选择?,电压表应该选择?,电源应该选择?,(填字母代号); ③ 请在下列实验电路图中选择合适的电路图(?)  参考答案:①1000Ω(2分);②B;D;F(每空2分);③B(3分)。 本题解析:①通过观察万用电表的表盘及指针的位置,可知所测电阻的大小为100Ω×10=1000Ω; 本题难度:一般 2、填空题  一只小灯泡,标有“3V、0.6W”字样.现用右下图给出的器材测量该小灯泡正常发光时的电阻R1.(滑动变阻器最大阻值为10Ω;电源电动势为12V,内阻不计;电流表内阻为1Ω,电压表的内阻为10kΩ). 参考答案:(1)因小灯泡标有“3V、0.6W”字样,其电阻R=U2?P=15Ω,因R?VR<<RR?A,电流表应选外接法,根据闭合电路欧姆定律估算电路R?min=EI?A=120.2Ω,显然滑动变阻器不能用限流式应用分压式接法. 本题解析: 本题难度:一般 3、实验题  影响物质材料电阻率的因素很多,一般金属材料的电阻率随温度的升高而增大,而半导体材料的电阻率则与之相反,随温度的升高而减少。某课题研究组需要研究某种导电材料的导电规律,他们用该种导电材料制作成电阻较小的线状元件Z做实验,测量元件Z中的电流随两端电压从零逐渐增大过程中的变化规律。 
  时,电流表的读数为1.25A;当电阻R的阻值为R2= 3.6  时,电流表的读数为0.80A。结合上表数据,求出电源的电动势为____V,内阻为____  .(不计电流表的内阻,结果保留两位有效数字) ④用螺旋测微器测得线状元件Z的直径如图所示,则元件Z的直径是____? mm。   参考答案:① A?②半导体材料?③4.0? 0.40?④ 1.990 本题解析:①因为要测量小电阻,且要测量电压从零开始时的电流值,故选用电路A;②根据 本题难度:一般 4、实验题  某同学用多用电表电阻档测量电阻时,选用“×100”档,发现指针偏角太小,他便断开电阻,将选择开关选到倍率为?挡,并进行欧姆调零再次测量,指针指示在图示位置,则所测电阻的阻值为________Ω. 参考答案:×1K?;? 15000Ω。 本题解析: 本题难度:一般 5、实验题  热敏电阻是传感电路中常用的电子元件,现用伏安法研究热敏电阻在不同温度下的伏安特性曲线,要求特性曲线尽可能完整,已知常温下待测热敏电阻的阻值约4~5 参考答案:(1)A;V2;R2 本题解析: 本题难度:一般 | 
| 【大 中 小】【打印】 【繁体】 【关闭】 【返回顶部】 | |
| 下一篇:高考物理答题模板《静电平衡》高.. | |