1、填空题 实验室中大量实验表明,通过某一金属氧化物制成的棒中电流I遵循I=kU?3的规律(其中U表示棒两端的电势差,k=0.02A/V3.将该棒与一个遵从欧姆定律的电阻器串联在一起后,接在一个内阻可忽略、电动势为6.0V的电源上,则:
(1)当串联的电阻器阻值R1=______Ω时,电路中的电流为0.16A.
(2)当串联的电阻器阻值R2=______Ω时,棒上消耗的电功率是电阻R2消耗电功率的2倍.
参考答案:(1)棒两端的电压为U=3IK
本题解析:
本题难度:一般
2、选择题 如图为伏打电池示意图,由于化学反应,在A、B两电极附近产生了很薄的两个带电接触层a、b.沿电流方向绕电路一周,非静电力做功的区域是

A.R
B.b
C.r
D.a
参考答案:BD
本题解析:选BD.非静电力的作用是在电源内部把正电荷(电子)由负(正)极拉向正(负)极,所以非静电力做功的区域是带电层附近的a、b,而不是电路中,故B 、D正确.
本题难度:困难
3、选择题 如图为直流电车模型工作示意图,电源电动势E=12 V,全电路电阻R=1 Ω,电车在水平路面上以5 m/s行驶,车受阻力7.2 N,则电路中电流强度为

[? ]
A.12 A
B.6 A
C.3 A
D.1 A
参考答案:B
本题解析:
本题难度:一般
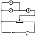
4、实验题 标有“6V,1.5W”的小灯泡,测量其0~6V各不同电压下的实际功率,提供的器材除导线和开关外,还有
A.直流电源6V(内阻不计)
B.直流电流表0~3A(内阻0.1Ω以下)
C.直流电流表0~300mA(内阻约为5Ω)
D.直流电压表0~15V(内阻约为15kΩ)
E.滑动变阻器10Ω,2A
F.滑动变阻器1kΩ,0.5A
(1)实验中电流表应选用__________,滑动变阻器应选用__________。(序号表示)
(2)在虚线方框图中画出电路图。

参考答案:(1)C,E
(2)
本题解析:
本题难度:一般
5、填空题 如图所示电路,电源电动势为4V,内电阻为1Ω,R0为定值电阻,值为3Ω,变阻器的最大阻值为20Ω.
(1)当变阻器阻值调至R1=______Ω时,电源输出的功率最大.
(2)当变阻器阻值调至某一适当值时,变阻器上消耗的功率最大,该最大功率为______W.
参考答案:(1)当内阻与外阻阻值相等时电源输出功率最大,
所以r=R=R0R1R0+R1
代入数据1=3R13+R1
解得:R1=1.5Ω.
(2)设当变阻器阻值为Rx时,变阻器上消耗的功率最大,此时变阻器中的电流为Ix,
根据闭合电路的欧姆定律有IxRx+(Ix+IxRxR0)r=E
所以(R0+r)Rx+R0R0=EIx
代入数据4Rx+33=4Ix
得Ix=123+4Rx
则变阻器上消耗的功率为
Px=Ix2Rx=(123+4Rx)2Rx=1449+24Rx+16Rx2Rx=1449Rx+16Rx+24
根据数学知识有9Rx+16Rx≥2×
本题解析:
本题难度:简单
The first step is as good as half over. 第一步是最关键的一步.