| 高考省级导航 | |
|
|
|
高考物理试题《闭合电路的欧姆定律》在线测试(2019年最新版)(一)
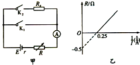
![]() 4、选择题 如图甲所示.R为电阻箱(0-99.9Ω).置于阻值最大位置,Rx为未知电阻.(1)断开K2,闭合K1,逐次减小电阻箱的阻值,得到一组R,I的值,并依据R,I值作出了如图乙所示的R-
A.电源电动势为3.0V B.电源内阻为0.5Ω C.Rx的阻值为0.5Ω D.K1断开、K2接通时,随着R的减小,电源输出功率一直增大 |

5、选择题 生产、生活中使用的许多设备都可看作能量转换器,它们把能量从一种形式转化为另一种形式.下列设备在工作过程中把电能主要转化为动能的是( )
A.电风扇
B.发电机
C.电磁炉
D.电饭煲
| 【大 中 小】【打印】 【繁体】 【关闭】 【返回顶部】 | |
| 下一篇:高中物理高考知识点《机械波的图.. | |