高考省级导航

全国 A安徽 B北京 C重庆 F福建 G广东 广西 甘肃 贵州 H河南 河北 湖南 湖北 黑龙江 海南 J江苏 江西 吉林 L辽宁 N内蒙古 宁夏 Q青海 S山东 山西 陕西 四川 上海 T天津
     X新疆 西藏 Y云南 Z浙江

高考物理高频试题、高中物理题库汇总-压中真题已成为一种习惯

★力学★ 运动的描述: 质点、参考系、坐标系 时间与时刻 位移与路程 速度、速率 平均速度和瞬时速度 加速度 电磁打点计时器和电火花计时器 直线运动: 匀速直线运动 匀变速直线运动 匀变速直线运动基本公式应用 匀变速直线运动导出公式应用 自由落体运动 竖直上抛运动 探究小车速度随时间变化的规律 运动的图象 S-t图象 V-t图象 追及相遇问题 相互作用: 力的描述 重力 弹力 弹性形变和弹力 探究弹力和弹簧伸长的关系 摩擦力 滑动摩擦力 静摩擦力 力的合成与分解 平行四边形定则 力的合成 力的分解 正交分解 共点力的平衡 三力平衡 动态平衡分析 力矩平衡 牛顿运动定律: 牛顿第一定律 伽利略理想实验 惯性与质量 牛顿第二定律及应用 对单物体(质点)的应用 对质点系的应用 连接体问题 牛顿定律与图象 超重失重 探究加速度与力、质量的关系 牛顿第三定律 牛顿运动定律与电磁学综合 曲线运动: 曲线运动的特点 运动的合成与分解 位移的合成与分解 速度的合成与分解 小船渡河问题分析 最短时间过河 最短位移过河 拋体运动的规律 平抛运动的概念与轨迹 平抛运动的运动规律 研究平抛运动 斜抛运动 圆周运动 描述圆周运动的物理量 匀速圆周运动 向心力与向心加速度 圆周运动实例分析 离心运动和向心运动 万有引力与航天: 开普勒定律 万有引力定律及其应用 天体的匀速圆周运动的模型 人造卫星与飞船 近地卫星和同步卫星 宇宙速度 功和机械能: 恒力做功 变力做功 功率 功率的概念 机车启动 动能与重力势能 动能 探究功与速度变化的关系 弹性势能 动能定理及应用 动能定理的理解 动能定理的综合应用 摩擦力做功 皮带模型 机械能守恒定律 机械能 机械能守恒及其条件 机械能综合应用 能量守恒定律 功能关系 动量: 动量和冲量 动量 冲量 动量定理 动量守恒定律 碰撞 弹性碰撞 非弹性碰撞 反冲 反冲现象 爆炸 机械振动、机械波: 简谐运动 简谐运动的图象 单摆 用单摆测重力加速度 阻尼振动 受迫振动和共振 机械波的形成和传播 机械波的图象 波的干涉和衍射 多普勒效应 波长、波速和频率的关系 力学综合: 子弹打木块模型 弹簧综合 应用数学知识综合 ★电磁学★ 静电现象: 电荷 库仑定律 静电场 电场强度 电场强度的叠加 电势能和电势 等势面 电势差 电势差与电场强度的关系 静电平衡 静电场中的导体 电容器 电容 平行板电容器的电容 电容器的动态分析 电荷在电场中的加速 电荷在电场中的偏转 电荷在交变电场中的运动 示波管的原理与使用 恒定电流: 电源和电流 电流和电荷量 电阻和欧姆定律 电阻、电阻率 影响导体电阻的因素、电阻定律 导体的伏安特性曲线 电阻定律 电功率和电功 焦耳定律 闭合电路的欧姆定律 电源电动势和内阻 全电路的功和能 含容电路 半导体 超导 串联和并联 电表 电流表的构造及使用 欧姆表 练习使用多用电表 磁场: 磁现象和磁场 磁场、地磁场 磁感应强度 安培分子电流假说 通电导线在磁场中受到的力 安培力及其方向 左手定则 安培力的大小 洛伦兹力 粒子在有界磁场中运动 粒子在复合场中运动 磁场和重力场的复合 磁场、电场和重力场复合 电磁场的应用 质谱仪 回旋加速器 电磁流量计 磁流体发电机 电磁感应: 电磁感应现象 楞次定律 法拉第电磁感应定律及应用 磁通量 互感与自感 电磁感应与力学 电磁感应与电路 电磁感应与图象 电磁感应中切割类问题 电磁感应中磁变类问题 交变电流: 交变电流的产生及规律 描述交变电流的物理量 周期和频率 交流电的最大值与有效值 交流电图象 变压器原理 电能的输送 电感和电容对交流电的影响 示波器的使用 门电路 传感器: 与门、或门、非门 门电路设计与应用 传感器 电磁波: 电磁场与电磁波 电磁波的发射和接收 电磁波谱 电磁场理论 复合场: ★热学★ 分子动理论: 物质由大量分子组成 用油膜法估测分子直径的大小 分子大小与阿伏加德罗常数 分子热运动 扩散 布朗运动 分子间的作用力 分子动能、分子势能、内能 温度、温度计和温标 热力学定律: 热力学第一定律 热力学第二定律 热力学第三定律 热机: 热机原理与热机效率 内燃机原理 电冰箱与空调器 固体: 晶体和非晶体 晶体的微观结构 液体: 液体的表面张力 浸润和不浸润、毛细现象 气体: 气体的状态方程 气体实验定律 饱和汽与饱和气压 空气湿度、湿度计 物态变化中的能量交换: ★光学★ 光的反射和折射: 光的反射定律 光的折射定律 折射率 测定玻璃的折射率 全反射、临界角 光的干涉和衍射: 杨氏干涉实验 用双缝干涉测量光的波长 光的衍射 衍射光栅 光的偏振和色散: 偏振现象 偏振现象的应用 光谱 光的色散、光的颜色 薄膜干涉、衍射、折射中的色散 激光: 激光及其特点 光的粒子性: 光子的动量 光电效应 康普顿效应 物质波 光的波粒二象性 ★原子物理与相对论★ 原子结构: 原子的核式结构 氢原子光谱 玻尔原子理论 原子核: 原子核的组成 原子核的衰变、半衰期 核反应方程 质能方程 放射性的应用与防护 核裂变与核聚变 探测射线的方法 夸克: 宇宙和恒星的演化 相对论: 经典时空观与相对论时空观 狭义相对论的两个基本假设 同时的相对性 时间间隔的相对性 ★物理实验★ 力学实验 热学实验 电磁学实验 光学实验 其他实验 ★物理学史和研究方法★ 物理学史: 研究方法: 整体法隔离法 控制变量法 假设法 等效法 图象法 极限法 微元法 ★单位制及量纲★ ★当代社会热点问题★ ★其他★ 能源和可持续发展:

高中物理知识点大全《闭合电路的欧姆定律》高频试题预测(2019年最新版)(五)
2019-06-28 05:39:16 【

1、选择题  在如图所示的电路中,当滑动变阻器的滑片向b端移动时(  )
A.电压表的读数增大,电流表的读数减小
B.电压表和电流表的读数都增大
C.电压表和电流表的读数都减小
D.电压表的读数减小,电流表的读数增大





2、填空题  图示电路中,R1=12,R2=6,滑动变阻器R3上标有“20,2A”字样,理想电压表的量程有0-3V和0-15V两档,理想电流表的量程有0-0.6A和0-3A两档。闭合电键S,将滑片P从最左端向右移动到某位置时,电压表、电流表示数分别为2.5V和0.3A;继续向右移动滑片P到另一位置,电压表指针指在满偏的1/3,电流表指针指在满偏的1/4,则此时电流表示数为__________A,该电源的电动势为__________V。



3、选择题  关于电动势,下列说法正确的是?
A.电源两极间的电压等于电源电动势
B.电动势越大的电源,将其他形式的能转化为电能的本领越大
C.电源电动势的数值等于内、外电压之和
D.电源电动势大小由外电路的组成决定



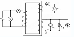
4、填空题  (4分)如图所示,理想变压器的次级有两组线圈,图中三个灯泡的规格相同,四个电表对电路的影响都可忽略不计。开关K断开时,灯L1正常发光,这时两电流表示数之比I1:I2是1:4;开关K闭合时,三个灯都正常发光,这时两电流表示数之比?,两电压表示数之比U1:U2 =_?_



5、选择题  在如图所示的电路中,灯泡L的电阻大于电源的内阻r,闭合电键S,将滑动变阻器滑片P向左移动一段距离后,下列结论正确的是

[? ]
A.灯泡L变亮
B.电源的输出功率增大
C.电容器C上电荷量减少
D.电流表读数变小,电压表读数变大



】【打印繁体】 【关闭】 【返回顶部
下一篇高考物理知识点《电磁场与电磁波..

问题咨询请搜索关注"91考试网"微信公众号后留言咨询