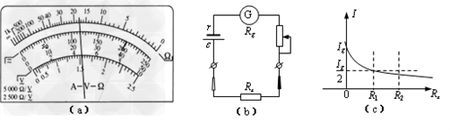
1、实验题  指针式多用表是实验室中常用的测量仪器,请完成下列问题: 
(1)在使用多用电表测量时,指针的位置如图(a)所示,若选择开关拨至“×1”挡,则测量的结果为_________;若选择开关拨至“50mA”挡,则测量结果为__________。 

(2)多用电表测未知电阻阻值的电路如图(b)所示,电池的电动势为ε、内阻为r, R0为调零电阻,Rg为表头内阻,电路中电流I与待测电阻的阻值Rx关系图像如图(c)所示,则该图像的函数关系式为_____________________; 


(3)下列根据图(c)中I-Rx图线做出的解释或判断中正确的是
[? ]
A.因为函数图线是非线性变化的,所以欧姆表的示数左大右小
 B.欧姆表调零的实质是通过调节R0使Rx=0时电路中的电流I=Ig
C.Rx越小,相同的电阻变化量对应的电流变化量越大,所以欧姆表的示数左密右疏 
D.测量中,当Rx的阻值为图(c)中的R2时,指针位于表盘中央位置的左侧 
 
	参考答案:(1)18Ω;23mA
(2)I=
(3)BCD
	本题解析:
	本题难度:一般
	        2、选择题  如图所示为万用表欧姆挡的原理示意图,其中电流表的满偏电流为300μA,内阻Rg=100Ω,R为调零电阻,串联的固定电阻R0=500Ω,电池的电动势为1.5V用它测量电阻R,能准确测量的阻值范围是 

[? ]
A.30~80Ω? 
B.300~800Ω 
C.3~8kΩ? 
D.30~80Ω 
 
	参考答案:C
	本题解析:
	本题难度:一般
	        3、填空题  在测定电源电动势和内阻的实验中,某同学根据正确的实验测量作出如图的U-I图象,由该图象可求出被测干电池的电动势E=______V,内电阻r=______Ω.
 
	参考答案:由U-I图可知,图象由纵坐标的交点为电动势,
所以电源的电动势E=1.4V;
U-I图象的斜率代表电源的内阻,r=△U△I=0.67Ω;
故答案为:1.4,0.67
	本题解析:
	本题难度:一般
	        4、实验题  多用表是实验室中常用的测量仪器,请完成下列问题:
(1)使用多用电表测量时,指针位置如图(a)所示,若用来测电阻,选择开关拨至“×1”档,则测量的结果为_________Ω,选择开关拨至“×100” 档,则测量的结果为_________Ω;用来测电流,选择开关拨至“50mA” 档,则测量结果为__________mA。

(2)多用电表测未知电阻阻值的电路如图(b)所示,电池的电动势为ε,电路中电流I与待测电阻的阻值Rx关系图像如图(c)所示,则该图像的函数关系式为___________;
(3)下列说法正确的是__________。
A.在使用欧姆表换挡时,可以不必让红黑表笔短接调零
B.因为相同的电阻变化量对应的电流变化量不同,所以欧姆表的刻度不均匀
C.测量中,当Rx的阻值为图(c)中的R2时,指针位于表盘中央位置的右侧
D.测量中,当Rx的阻值为图(c)中的R2时,指针位于表盘中央位置的左侧
 
	参考答案:(1)18,1800,23.0
(2)I=
(3)BD
	本题解析:
	本题难度:一般
	        5、选择题  下列说法中正确的是(  )
A.电源的电动势反映电源把其他形式的能转化为电能本领的大小
B.电动势等于闭合电路中接在电源两极间的电压表测得的电压
C.电流元IL在磁场中受力为F,则磁感应强度B可能小于或等于style="shiti/data:image/png;base64,iVBORw0KGgoAAAANSUhEUgAAABQAAAAlCAIAAADNzV5SAAAAcElEQVRIid2UsRLAIAhD+f+frluHmhCiZ6vN5JB3QQ6Ia0LxMziQjOSH24Bva/8YgYEngdlXBVyJXQznAqYiCWDZJJFc19kw3CGmfcreAAZd4TNXmm02rdpnHIOPYIt8Ec7utoylcL80+T6Bsl0dCjfXfL2l7ZoN3wAAAABJRU5ErkJggg==">
D.磁感应强度越大的地方,线圈面积越大,则穿过线圈的磁通量越大
 
	参考答案:A
	本题解析:
	本题难度:一般