1、选择题 把六个相同的小灯泡接成如图甲、乙所示的电路,调节变阻器使灯泡正常发光,甲、乙两电路所消耗的功率分别用P甲和P乙表示,则下列结论中正确的是( )

A.P甲=P乙
B.P甲=3P乙
C.P乙=3P甲
D.P乙>3P甲
2、选择题 两点组R1、R2的电流I和电压U的关系如图所示,可知两电阻R1:R2等于

[? ]
A.1∶
B.
∶1
C.3∶1
D.1∶3
3、选择题 电饭锅工作时有两种状态:一种是锅内水烧开前的加热状态,另一种是锅内水烧开后的保温状态,如图所示是电饭锅电路原理示意图, K是感温材料制造的开关,电压恒定。下列说法中正确的是

[? ]
A.其中R2是供加热用的电阻丝
B.当开关K接通时电饭锅为加热状态,K断开时为保温状态
C.要使R2在保温状态时的功率为加热状态的一半,R1/R2应为2:1
D.要使R2在保温状态时的功率为加热状态时一半,R1/R2应为(
-1):1
4、填空题 两根同种材料的电阻丝,长度之比为1:5,横截面积之比为2:3,则它们的电阻值之比为______.将它们串联后接入电路中,则它们两端电压之比为______,电流之比为______;如果将它们并联后接入电路中,则它们两端电压之比为______,电流之比为______.
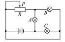
5、选择题 如图所示电路,电源电动势为E、内阻为r,接通电路后A、B、C三盏小灯都达到一定的亮度(但均未达到额定功率),当滑动变阻器的滑动头P向左滑动时,则( )

A.A灯变亮,B灯变暗
B.A灯和B灯都变暗
C.C灯和B灯都变亮
D.C灯变暗,A灯变亮