1、选择题 某线圈在匀强磁场中绕垂直于磁场的转轴匀速转动,产生交变电流的图象如图所示,由图中信息可以判断( )

A.在A和C时刻,线圈处于中性面位置
B.在B和D时刻,穿过线圈的磁通量为零
C.从A→D时间内,线圈转过的角度为
π
D.从O→D时间内,历时0.02 s,在1 s内交变电流的方向改变50次
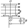
2、计算题 交流发电机矩形线圈边长ab="cd=0.4" m,bc="ad=0.2" m,共50匝,线圈电阻r="1" Ω,线圈在B="0.2" T的匀强磁场中,绕垂直磁场方向的轴OO′以200 rad/s的角速度匀速转动,外接电阻R=7Ω,如图所示。求:

(1)从图示位置开始计时,线圈中产生的感应电动势大小随时间变化的函数表达式;
(2)电压表读数;
(3)电阻R上的电功率。
3、计算题 发电机的输出电压为220V,输出电功率为44kW,输电导线的电阻为0.2Ω。如果用初、次级线圈匝数之比为1:10的升压变压器升压,经输电线路后,再用初、次级匝数比为10∶1的降压变压器降压供给用户.求用户得到的电压和功率.
4、计算题 电压u=120
sinωt V,频率为50 Hz的交变电流,把它加在激发电压和熄灭电压均为u0=60
V的霓虹灯的两端.
(1)求在一个小时内,霓虹灯发光时间有多长?
(2)试分析为什么人眼不能感到这种忽明忽暗的现象?(已知人眼的视觉暂留时间约为
s)
5、选择题 如图5所示,一个匝数为10的矩形线圈在匀强磁场中绕垂直于磁场的轴匀速转动,周期为T.若把万用电表的选择开关拨到交流电压挡,测得a、b两点间的电压为20 V,则可知:从中性面开始计时,当t=T/8时,穿过线圈的磁通量的变化率约为? ( )

A.1.41 Wb/s
B.2.0 Wb/s
C.14.1 Wb/s
D.20.0 Wb/s