| 高考省级导航 | |
|
|
|
高考物理试卷《闭合电路的欧姆定律》高频考点强化练习(2019年最新版)(十)
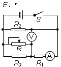
![]() 参考答案:A、当发现电流表的读数减小时,根据闭合回路知识知道电路中电阻R阻值增大,即温度降低.故A错误 本题解析: 本题难度:简单 3、选择题 如图所示,电源的电动势为E、内阻为r,R1、R2、R3为定值电阻,R为滑动变阻器。A为电流表、V为电压表。当滑动变阻器的滑动触头向右滑动时,下列说法中正确的是
[? ] A.电流表和电压表示数都变大 B.电流表和电压表示数都变小 C.电流表示数减小,电压表示数变大 D.电流表示数变大,电压表示数减小 参考答案:A 本题解析: 本题难度:一般 4、选择题 已知通过三个并联支路的电流之比是I1∶I2∶I3=1∶2∶3,则三个并联支路的电阻之比R1∶R2∶R3为( ) 参考答案:D 本题解析:由并联电路两端电压相等知,三个并联支路的电压相等,由部分电路欧姆定律 本题难度:简单 5、选择题 如图为测量某电源电动势和内电阻时得到的U-I图线,用此电源与三个阻值均为3Ω的电阻连接成电路,测得路端电压为4.8V,则该电路可能为?( ) |

参考答案:由电源的U-I图象得,电源的电动势为E=6V,内阻为r=△U△I=612Ω=0.5Ω.
当路端电压为4.8V时,则有U=RR+rE,代入解得,外电路总电阻R=2Ω
A、外电路总电阻为1Ω,与R不符合.故A错误.
B、外电路总电阻为3×63+6Ω=2Ω,与R相符.故B正确.
C、外电路总电阻为9Ω,与R不符.故C错误.
D、外电路总电阻为3Ω+1.5Ω=4.5Ω,与R不符.故D错误.
故选B
本题解析:
本题难度:简单
| 【大 中 小】【打印】 【繁体】 【关闭】 【返回顶部】 | |
| 下一篇:高考物理知识点总结《动量守恒定.. | |