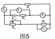
1、选择题 某同学按如图5所示的电路进行实验,实验时该同学将滑动变阻器的滑动触头P移到不同位置时测得各电流表的示数不同、各电压表的示数也不同,已知图中的电压表和电流表均为理想表。由于电路中有一处发生故障,发现两电压表示数相同了(但不为零),若这种情况的发生是由用电器引起的,则可能的故障原因是(?)

A.R1短路
B.RP短路
C.R2断路
D.R2短路
2、填空题 在装有氯化铜溶液的电解槽两端加上一定的电压,1min内有1.5×1021个2价铜离子向右通过某个横截面,同时还有3.0×1021个1价氯离子向左通过这个横截面,则通过这个横截面的电流的方向_ ___? ___,电流强度等于___? ____A。
3、选择题 某导体中的电流随其两端电压的变化如图所示,则下列说法中正确的是(?)

A.加5V电压时,导体的电阻约是0.2Ω
B.加12V电压时,导体的电阻约是1.4Ω
C.由图可知,随着电压的增大,导体的电阻不断减小
D.由图可知,随着电压的减小,导体的电阻不断减小
4、选择题 在我省某中学实验室的水平桌面上,放置边长为L的正方形闭合导体线圈abcd,线圈的ab边沿南北方向,ad边沿东西方向,如图所示.已知北半球地磁场的竖直分量向下.下列说法中正确的是( )
A.若使线圈向东平动,则a点的电势比b点的电势高,线圈中感应电流方向为abcda
B.若使线圈向北平动,则a点的电势比b点的电势高,线圈中感应电流方向为adcba
C.若以ab为轴将线圈向上翻转,则a点的电势比b点的电势高,线圈中感应电流方向为abcda
D.若以ab为轴将线圈向上翻转,则b点的电势比a点的电势高,线圈中感应电流方向为adcba