1、选择题 两电阻R1、R2的电流I和电压U的关系如图所示,可知两电阻R1:R2等于( ?)

A.1∶3
B.3∶1
C.1∶
D.
∶1
参考答案:A
本题解析:因为该图线为I-U图线,则图线的斜率表示电阻的倒数,两根图线的斜率比为3:1,所以电阻比为1:3.故BCD错,A正确.
故选A.
点评:解决本题的关键搞清I-U图线的斜率表示什么.
本题难度:一般
2、选择题 如图所示为大小不同的两个电阻的电流随电压变化的图象,那么1、2所表示的电阻及两电阻串联或并联后的图线所在区域分别是:(?)

A.1表示电阻大的图线,并联后图线在区域Ⅲ;
B.1表示电阻小的图线,串联后图线在区域Ⅱ;
C.1表示电阻小的图线,并联后图线在区域Ⅰ;
D.1表示电阻大的图线,串联后图线在区域Ⅰ;
参考答案:C
本题解析:略
本题难度:一般
3、选择题 关于电动势,下列说法中正确的是( ?)
A.一个电源的电动势的大小只由电源本身决定
B.因电动势的单位和电势差相同,所以电动势实质上就是电势差
C.一个电动势为1.5V的电池接入电路时,若有1C的电荷量通过电路,就有1.5J的化学能转变成电能
D.电压表接到电源两极时,测得的值完全等于电动势
参考答案:AC
本题解析:A、电源是把其他形式的能转化为电能的装置,电动势表征电源把其他形式的能转化为电能的本领大小,由电源本身的特性决定;正确
B、电动势的单位与电势差的单位相同,都是伏特,但两者物理意义不同,电动势表征电源把其他形式的能转化为电能的本领大小,而电势差等于电压,是导体中产生电流的原因,不能说电势差就是电动势;错误
C、据电动势的定义式
可知,电动势为1.5V的电池接入电路时,若有1C的电荷量通过电路,就有1.5J的化学能转变成电能;正确
D、电压表接到电源两极时,测得的值略小于电源的电动势;错误
故选AC
点评:电源是把其他形式的能转化为电能的装置,电动势表征电源把其他形式的能转化为电能的本领大小,由电源本身的特性决定,与外电路的结构无关,电动势的大小等于电源没有接入电路时两极间的电压。
本题难度:简单
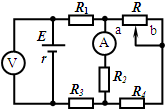
4、选择题 在如图所示的电路中,R1、R2、R3和R4皆为定值电阻,R为滑动变阻器,电源的电动势为E,内阻为r.设电流表A的读数为I,电压表V的读数为U.当滑动变阻器R的滑动头向图中b端移动时,( )
A.I变大,U变小
B.I变大,U变大
C.I变小,U变大
D.I变小,U变小