|
高考物理高频考点《共点力的平衡》试题特训(2019年最新版)(十)
2019-12-13 02:05:58
【 大 中 小】
|
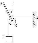
1、选择题 如图所示,滑轮本身的质量可忽略不计,滑轮轴O安在一根轻木杆B上,一根轻绳AC绕过滑轮,A端固定在墙上,且绳保持水平,C端挂一重物,BO与竖直方向夹角θ=45°,系统保持平衡.若保持滑轮的位置不变,改变θ的大小,则滑轮受到木杆作用力大小变化情况是( ) A.只有角θ变小,作用力才变大 B.只有角θ变大,作用力才变大 C.不论角θ变大或变小,作用力都是变大 D.不论角θ变大或变小,作用力都不变
| 
参考答案:
 对滑轮受力分析,受连个绳子的拉力和杆的弹力;滑轮一直保持静止,合力为零,故杆的弹力与两个绳子的拉力的合力等值、反向、共线; 由于两个绳子的拉力大小等于重物的重力,大小不变,方向也不变,故两个拉力的合力为
本题解析:
本题难度:简单
2、选择题 下列关于力的说法中正确的是 A.当两个力的夹角为锐角时,其合力总大于任意一个分力;当两个力夹角为钝角时,其合力总小于任意一个分力 B.运动物体受到的滑动摩擦力一定与它的运动方向相反 C.物体间有摩擦力时,一定有弹力,且某一接触面处的摩擦力和弹力方向一定垂直 D.静止在斜面上的物体受到的重力,可以分解为使物体沿斜面下滑的力和对斜面的压力
参考答案:C
本题解析:分析:合力和分力遵循平行四边形定则,根据平行四边形定则确定合力和分力的大小关系.有摩擦力必有弹力,弹力的方向与接触面垂直,摩擦力的方向与接触面平行,与相对运动或相对运动趋势的方向相反. 解答:A、根据平行四边形定则,两个力的夹角为锐角时,合力大于任意一个分力,当两个力夹角为钝角时,合力不一定小于任意一个分力.故A错误. B、滑动摩擦力的方向与相对运动方向相反,与运动方向可能相同,可能相反.故B错误. C、有摩擦力必有弹力,弹力的方向垂直于接触面,摩擦力的方向与接触面平行,所以摩擦力与弹力一定垂直.故C正确. D、静止在斜面上的物体受到的重力,可以分解为使物体沿斜面向下滑的分力和垂直于斜面方向的分力,不是对斜面的压力.故D错误. 故选C. 点评:解决本题的关键知道合力与分力的关系,以及知道摩擦力和弹力的联系.
本题难度:一般
3、选择题 我国发射了“神舟六号”飞船在着陆之前,由于空气阻力作用有一段匀速下落过程.若空气阻力与速度的平方成正比,比例系数为k,载人舱质量为m,则此过程中载人舱的速度应为 A. B. C. D.
参考答案:A
本题解析:分析:载人舱匀速下落过程,加速度为零,故合力为零,重力和阻力平衡,根据平衡条件列式求解即可. 解答:载人舱匀速下落过程,加速度为零,故合力为零; 故重力和阻力平衡,根据平衡条件,有: mg=f 其中 f=kv2 联立解得:v= ; 故选A. 点评:本题关键是明确载人舱匀速下落过程重力和空气阻力平衡,然后根据平衡条件列式求解,基础题.
本题难度:一般
4、选择题 如图所示,物体A、B叠放在水平桌面上,方向相反的水平拉力Fa、Fb分别作用于物体A、B上,使A、B一起在桌面上做匀速直线运动,已知A、B始终保持相对静止,且Fb=2Fa。以 fA表示A受到的摩擦力大小,以fB表示B受到桌面的摩擦力的大小,则
 A.fA="0," fB= Fa B.fA=0fB=2 Fa C.fA=Fa,fB= Fa D.fA=FafB =2 Fa
参考答案:C
本题解析:略
本题难度:简单
5、计算题 如图所示,位于竖直侧面的物体A的质量mA=0.2 kg,放在水平面上的物体B的质量mB=1.0 kg,绳和滑轮间的摩擦均不计,且绳的OB部分水平,OA部分竖直,A和B恰好一起匀速运动,取g=10 m/s2. (1)求物体B与桌面间的动摩擦因数; (2)如果用水平力F向左拉物体B,使物体A和B做匀速运动需多大的拉力?

参考答案:解?:(1)因物体A和B恰好一起匀速运动,所以物体B受到的水平绳的拉力T与滑动摩擦力F1的大小相等,且等于物体A的重力mAg,物体B对桌面的压力FN等于物体B的重力mBg,所以有F1=μFN,FN=mBg,解得μ=0.2,T=F1=mAg (2)如果用水平力F向左拉物体B,使物体A和B做匀速运动,此时水平绳的拉力T与滑动摩擦力F1的大小均不变,根据物体B水平方向受力平衡有F=T+F1=2mAg=4?N.
本题解析:
本题难度:一般
|