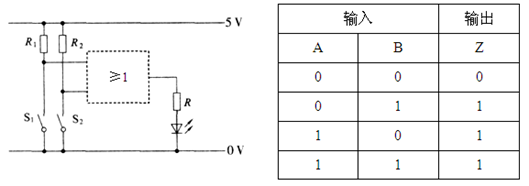
1、填空题  下图是应用某种逻辑电路制作的车门报警电路.图中的两个按钮开关分别装在汽车的两扇门上.只要任何一个开关处于开路状态(输入为逻辑1),那么输出也是逻辑1,发光二极管(警报灯)就发光.
请你根据要求,在电路图的虚线框内画出门电路符号,用“逻辑电路实验器”完成此项实验,并写出该门电路的真值表.

 
	参考答案:

	本题解析:根据题意,该事件只要满足任何一个条件,该事件就会发生,属于或逻辑关系,即为或门电路.解答:解:根据只要其中任何一个开关处于开路状态 ( 即输入为逻辑 1),那么输出也是逻辑 1,发光二极管 ( 警报灯 ) 就发光,可知该逻辑关系为或逻辑关系,为或门电路, 
考查了基本逻辑关系,基本门电路及其功能,理解真值表.
	本题难度:一般
	        2、实验题  如图5-1-18所示,有的计算机键盘的每一个键下面都连一小块金属片,与该金属片隔有一定空气隙的是另一块小的固定金属片,这两块金属片组成一个小电容器.该电容器的电容C可用公式C=e 计算,式中常量e=9×10-12 F·m-1,S表示金属片的正对面积,d表示两金属片间的距离.当键被按下时,此小电容器的电容发生变化,与之相连的电子线路就能检测出哪个键被按下了,从而给出相应的信号.设每个金属片的正对面积为50 mm2,键未按下时两金属片的距离为0.6 mm.如果电容变化了0.25 pF,电子线路恰能检测出必要的信号,则键至少要被按下_____________ mm.
计算,式中常量e=9×10-12 F·m-1,S表示金属片的正对面积,d表示两金属片间的距离.当键被按下时,此小电容器的电容发生变化,与之相连的电子线路就能检测出哪个键被按下了,从而给出相应的信号.设每个金属片的正对面积为50 mm2,键未按下时两金属片的距离为0.6 mm.如果电容变化了0.25 pF,电子线路恰能检测出必要的信号,则键至少要被按下_____________ mm.

图5-1-18
 
	参考答案:0.15
	本题解析:计算机键盘是一个电容传感器,由题意知是通过改变两极板间距来改变电容,得到相应的电信号.又因两极板间距减小,电容变大,设原间距为d0,至少要按下距离为d,电子线路恰能检测出必要的信号,则根据 ,得:
,得:

=0.15×10-3 m,即d="0.15" mm.
	本题难度:简单
	        3、填空题  光敏电阻是由半导体材料制成的,受到光照射时,其导电性能显著增强。将其与电磁继电器组合,就可用来自动控制街道路灯的开与关。图中所示是自动控制路灯的工作原理图,当光照暗到一定程度时,路灯能点亮。电阻R1、R2之一为光敏电阻,另一为定值电阻。当放大电路的输入a端电压升高至某一值时,使经过继电器J的电流增大到受继电器J控制的电键S闭合,路灯就点亮。则_______是光敏电阻,若要提高电路的灵敏度,则_______(增大或减小)定值电阻的阻值。 

 
	参考答案:R2;减小
	本题解析:
	本题难度:一般
	        4、选择题  下列说法中正确的是( ? )
A.话筒是一种常用的声传感器,其作用是将声信号转换为电信号
B.楼道里的灯只有天黑时出现声音才亮,说明它的控制电路中只有声传感器
C.光敏电阻能够把光照强弱这个光学量转换为电阻这个电学量
D.电子秤所使用的测力装置是温度传感器
 
	参考答案:AC
	本题解析:
	本题难度:一般
	        5、选择题  用传感器测量通电螺线管轴线上的磁感应强度,然后绘出B-x图象,设x=0处为螺线管的一端,下面哪个图最符合实际测出的B-x图情况( ? )
A.

B.

C.

D.

 
	参考答案:C
	本题解析:
	本题难度:一般