1、填空题 某同学在做多用电表测电阻的实验中:
(1)测量某电阻时,用“×10Ω”档时发现指针偏转角度过大,他应该换用______档(填“×1Ω”或“×100Ω”),换档后,在测量前先要______.
(2)如图所示,A、B、C是多用表在进行不同测量时,转换开关分别指示的位置.若是用A档测量,指针偏转如图,则读数为______;

参考答案:(1)因偏转角度过大,则电阻小要用小量程的,选择×1Ω档,换档后电路改变,要重新欧姆调零.
? (2)A档为欧姆档,倍率为100,则读数为:13×100=1300Ω
故答案为:(1)×1Ω,欧姆调零
?(2)1300Ω
本题解析:
本题难度:一般
2、填空题 (1)某同学利用多用电表测量一个未知电阻的阻值,由于第一次选择的欧姆挡(×10),发现表针偏转角度极小,欧姆刻度数很大.现将旋钮调至另外一档,进行第二次测量使多用电表指针指在理想位置.下面列出第二次测量的可能进行的操作:
①将两表笔短接,并调零②将两表笔分别跟被测电阻的两端接触,观察指针的位置
③将多用电表在板上旋钮调到×100档④将多用电表面板上旋钮调到×1档
⑤随即记下表盘的读数,乘以欧姆表的倍率挡,测得电阻值
根据上述有关操作,则合理实验步骤应该是______(填以下正确选项)
A.①④②⑤B.④①②⑤C.③①②⑤D.①③②⑤

(2)如图所示,A、B、C是多用表在进行不同测量时,转换开关分别指示的位置,D是多用表表盘指针在测量时的偏转位置.若用A档测量,指针偏转如D,则读数是______Ω;若用C档测量,指针偏转如D,则读数是______V.
参考答案:(1)表针偏转角度极小,欧姆刻度数很大,说明被测阻值较大,应换大档,故将选择开关置于×100档-----③;
欧姆表每次换挡后要重新欧姆调零-----①;
然后进行测量,读数-----②⑤;
故顺序为③①②⑤,故选C;
(2)欧姆读数等于示数乘以倍率:13×100=1300Ω;
若置于直流50V档,则分度值为1V,读数为:27V;
故答案为:(1)C;(2)1300Ω;27V.
本题解析:
本题难度:一般
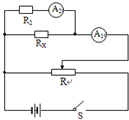
3、填空题 在测定金属丝电阻率的实验中,需要测量金属丝的电阻,可供选用的器材如下:
待测金属丝:Rx(阻值约5Ω)
电流表A1:量程0.6A,内阻r1约为0.2Ω
电流表A2:量程10mA,内阻r2=50Ω
定值电阻R1:阻值20Ω
定值电阻R2:阻值200Ω
滑动变阻器R:阻值范围0~5Ω
电源E:干电池2节
开关S,导线若干.
①要想较准确测量待测金属丝的阻值,应选用定值电阻______.(填R1或R2)
②实验中要求金属丝中的电流能从0开始变化,请在方框图中画出该实验的电路图(图中务必标出选用的电流表和定值电阻的符号).
③若试验中A1表的示数为0.36A,A2表的示数为5.4mA,待测金属丝的阻值为______Ω(结果保留两位有效数字).

参考答案:①由于没有电压表,可考虑将内阻为定值的电流表A2与定值电阻串联而改装为电压表,改装电压表时要串联大电阻分压,故选R2
②因为没有电压表所以要将内阻精确的电流表A2与定值电阻串联改装成电压表,
改装电压表时要串联大电阻R2分压,实验要求电表读数从零开始变化,并能多测几组电流、电压值,知滑动变阻器采用分压式接法.电路图如图所示:

③由题意,I2=5.4mA=0.0054A,I1=0.36A
Ux=(200+50)×0.0054=1.35V
Ix=I1-I2=0.3546A
Rx=UxIx=1.350.3546≈3.81Ω
故答案为:①R2;
②电路图如右图所示:
③3.81
本题解析:
本题难度:一般
4、简答题 一不计重力的带电粒子质量为m,电量为+q,经一电压为U1平板电容器C1加速后,沿平行板电容器C2两板的中轴进入C2,恰好从C2下边缘射出.C2两板间电压为U2,长为L,如图所示.求平行板电容器C2上下两极板间距离d.
参考答案:带电粒子在电场中被加速,
则有? qu1=12mv2①
带电粒子在偏转电场中做类平抛运动,可看成匀速直线运动与匀加速直线运动的两分运动.
?匀速直线运动:由运动学公式得? 91exam .org L=vt?
所以时间t=Lv②
匀加速直线运动:d2=12at2③
a=U2qdm④
由①②③④得:d=
本题解析:
本题难度:一般
5、选择题 如图所示,一电子沿Ox轴射入电场,在电场中的运动轨迹为OCD,已知
=,电子过C、D两点时竖直方向的分速度为vCy和vDy;电子在OC段和OD动能变化量分别为△EK1和△EK2,则( )
A.vcy:vDy=1:2
B.vcy:vDy=1:4
C.△Ek1:△Ek2=1:3
D.△Ek1:△Ek2=1:4