微信搜索关注"91考试网"公众号,领30元,获取公务员、事业编、教师等考试资料40G!
1、选择题 图示为一交变电流随时间变化的图象,则此交变电流的有效值是

[? ]
A.
B.4.5A
C.
D.
参考答案:A
本题解析:
本题难度:一般
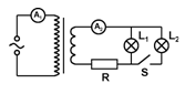
2、选择题 如图所示,理想变压器原线圈接一交流电源,副线圈回路中有一定值电阻R和两个小灯泡L1、L2,最初电键S是断开的,现闭合电键S,则(? )

A.副线圈两端电压变大
B.灯泡L1变亮
C.电流表A1示数变大
D.电阻R中的电流变小
参考答案:C
本题解析:理想变压器原副线圈电压比等于匝数比,即
,原线圈电源不变,原副线圈匝数不变所以副线圈电压不变选项A错。副线圈中,开关闭合后,总电阻变小,总电流变大,即通过电阻R中的电流变大选项D错。即电流表
示数变大,根据电流与匝数成反比可得
,由于
变大所以
变大选项C对。理想变压器原副线圈无电阻,所以灯泡L1电压等于副线圈电压是不变大,功率也是不变的,所以亮度不变,选项B错。
本题难度:简单
3、计算题 (12分)交流发电机转子是匝数n =100,边长L =20cm的正方形线圈,置于磁感应强度
的匀强磁场中,绕着垂直磁场方向的轴以ω=100π(rad/s)的角速度转动。当转到线圈平面与磁场方向垂直时开始计时,已知线圈的电阻r =1Ω,外电路电阻R =99Ω。试求:

(1)电动势的最大值Em ;
(2)交变电流的有效值I;
(3)外电阻R上消耗的功率PR
参考答案:(1)
(2)
(3)
本题解析:(1)电动势的最大值:
(4分)
(2)电动势的有效值:
(2分)
根据闭合电路欧姆定律,有:
(2分)
(3)外电阻R上消耗的功率:
(2分)
解得:
(2分)
考点:本题考查了交流发电机及其产生正弦式电流的原理;电功、电功率;正弦式电流的最大值和有效值、周期和频率.
本题难度:一般
4、填空题 阻值R=50Ω的电热丝接在电压
sin10
t(V)的交流电源上,与电热丝串联的电流表的示数为?A.如果将一个电容器接在该交流电源上,要使电容器不被击穿所选的电容器耐压值应不小于?V.
参考答案:2?
本题解析:电压
sin10
t(V),故电压的最大值为
V,有效值为
=100V,根据欧姆定律:I=
=2A,电容器耐压值为最大电压,为
V。
本题难度:一般
5、选择题 一个矩形线圈在匀强磁场中转动产生的交流电
伏,那么(?)
A.该交流电频率是100赫兹
B.当t = 0时刻,线圈平面恰好与中性面重合
C.当t=1/200秒时,e有最大值
D.使用这个交流电的用电器,每通过一库仑的电量时,电流做功220焦耳
参考答案:BCD
本题解析:
,A错。t = 0时刻,e为0,磁通量最大,线圈平面恰好与中性面重合,B对。代入t=1/200秒时,e有最大值,C对。该交流有效值为220V,
,D对。
本题难度:一般
It is sweat, not dew, that helps the harvest. 丰收不靠露滴,而靠汗水.