微信搜索关注"91考试网"公众号,领30元,获取公务员、事业编、教师等考试资料40G!
1、实验题 某实验小组设计了如图所示的加速度仪。其中CD是一段水平放置的长为L的、阻值较大的光滑均匀电阻丝,一质量和电阻均不计的细长裸金属丝一端固定于O点,另一端悬挂小球P,无加速度时细金属丝竖直,恰与电阻丝在C点接触,OC=H;有向右的加速度时细金属丝将偏离竖直方向,与电阻丝相交于某一点(如图中虚线所示,细金属丝与电阻丝始终保持良好的导电接触)。

(1)已知电源电动势为E,内阻不计,理想电压表两接线柱分别与O点与C点相连,球P的质量为m,重力加速度为g,由此可推得加速度大小a与电压表示数U的关系为a=_______________。
(2)该实验小组根据(1)中关系,将电压表的刻度盘直接改为加速度刻度,在实际使用中还发现这个加速度仪除了不能测向左的加速度外,还存在不足之处,其中主要的不足之处有:I ___________________________________;II ___________________________________。
参考答案:(1)
(2)加速度过大时金属丝与电阻丝无法接触;安装时若金属丝没有水平,读数会有较大的误差;电池用旧了读数会有较大的误差
本题解析:
本题难度:一般
2、选择题 有一种测量体重的电子秤,其原理如图所示,它主要由三部分构成:踏板、压力传感器R(一个阻值随压力大小而变化的电阻器)、显示体重的仪表G(实质是理想电流表).踏板的质量可忽略不计,已知理想电流表的量程为3A,电源电动势为12V,内阻为2Ω,电阻R随压力变化的函数表达式为R =30–0.02F(F和R的单位分别是N和Ω).下列说法正确是

A.该秤能测量的最大体重是1400N
B.该秤能测量的最大体重是1300N
C.该秤零刻度线(即踏板空载时的刻度线)应标在电流表G刻度盘0.375A处
D.该秤零刻度线(即踏板空载时的刻度线)应标在电流表G刻度盘0.400A处
参考答案:AC
本题解析:试题分析:电子秤测量的最大体重时,由
可知,其电阻R最小,电路中电流最大,等于电流表的量程为3A。根据欧姆定律求出电流为3A时电子秤的电阻,再由
求解最大体重。踏板空载时
,代入
得到电阻,由欧姆定律求出电流。
AB、当电路中电流
时,电子秤测量的体重最大.由欧姆定律
得到
,代入
得到
;A正确
CD、踏板空载时
,代入
得到电阻
,由欧姆定律得
,所以该秤零刻度线(即踏板空载时的刻度线)应标在电流表G刻度盘0.375A处;C正确
故选AC
考点:传感器在生产在生活中的应用
点评:注意对电子秤原理的理解和欧姆定律的计算,关键是对解析式
的理解。
本题难度:简单
3、选择题 半导体指纹传感器:在一块半导体基板上阵列了10万金属颗粒,传感器阵列的每一点是一个金属电极,充当电容器的一极,其外面是绝缘的表面。手指贴在其上与其构成了电容器的另一极,由于手指指纹深浅不同,嵴和峪与半导体电容感应颗粒形成的电容值大小不同,其工作过程是通过对电容感应颗粒预先充电到某一参考电压,然后对每个电容的放电电流进行测量,设备将采集到不同的数值汇总,也就完成了指纹的采集,则(? )
A.指纹的嵴处与半导体基板上对应的金属颗粒距离近,电容小
B.指纹的峪处与半导体基板上对应的金属颗粒距离远,电容小
C.对每个电容感应颗粒都充电至某一参考电压时,在手指靠近时,各金属电极电量减小
D.对每个电容感应颗粒都充电至某一参考电压时,在手指远离时,各金属电极均处于充电状态
参考答案:B
本题解析:
本题难度:一般
4、选择题 下表是某逻辑电路的真值表,该电路是

[? ]
A、
B、
C、
D、
参考答案:C
本题解析:
本题难度:简单
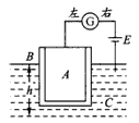
5、选择题 如图所示,是测定液面高度h的电容式传感器示意图,E为电源,G为灵敏电流计,A为固定的导体芯,B为导体芯外面的一层绝缘物质,C为导电液体。已知灵敏电流计指针偏转方向与电流方向的关系为:电流从左边接线柱流进电流计,指针向左偏。如果在导电液体的深度h发生变化时观察到指针正向左偏转,则( ? )

A.导体芯A所带电量在增加,液体的深度h在增大
B.导体芯A所带电量在减小,液体的深度h在增大
C.导体芯A所带电量在增加,液体的深度h在减小
D.导体芯A所带电量在减小,液体的深度h在减小
参考答案:D
本题解析:
本题难度:一般