微信搜索关注"91考试网"公众号,领30元,获取公务员、事业编、教师等考试资料40G!
1、填空题 (1)某同学用大头针、三角板、量角器等器材测半圆形玻璃砖的折射率.开始玻璃砖的位置如右图中实线所示,使大头针P1、P2与圆心O在同一直线上,该直线垂直于玻璃砖的直径边,然后使玻璃砖绕圆心O缓慢转动,同时在玻璃砖的直径边一侧观察P1、P2的像,且P2的像挡住P1的像.如此观察,当观察到玻璃砖转到右图中虚线位置时,上述现象恰好消失.此时只需测量出?,即可计算出玻璃砖的折射率.请用你的测量量表示出折射率n= ?.

(2)经过正确调节在示波器屏上显示如图所示波形,要将波形移到坐标中心,应调节面板上的 ?旋钮;要使此波形横向展宽,应调节 ?旋钮;要使屏上只显示出1个完整的波形,应调节 ?旋钮.
2、简答题 为了研究“3.8V?0.3A”小灯泡的电阻随电流变化的规律,某同学测量小灯泡两端的电压和通过小灯泡的电流的关系.实验室可以提供的器材如下:
①直流电源E(电动势约4V,内阻可不计);②电流表A(量程为0-0.6A,内阻约0.5Ω);?③电压表V(量程为0-5V,内阻约20kΩ);④滑动变阻器R(阻值0-10Ω,额定电流2A);?⑤电键S及导线若干.实验测得的数据记录在下表中:
| U/V | 0 | 0.30 | 1.00 | 1.70 | 2.40 | 3.10 | 3.80 I/A 0 0.074 0.164 0.210 0.250 0.284 0.300
|

(1)请在坐标纸上选择合适的比例标度画出小灯泡的U-I图线;
(2)根据以上条件在虚线框中画出符合要求的误差尽可能小的实验电路图;
(3)求小灯泡正常发光时的电阻值.(结果保留2位有效数字)
3、实验题 某同学在探究规格为“6 V,3W”的小电珠伏安特性曲线实验中:
(1)在小电珠接入电路前,使用多用电表直接测量小电珠的电阻,则应将选择开关旋至____档进行测量。(填选项前的字母)
A.直流电压10 V
B.直流电流5 mA
C.欧姆×100
D.欧姆×1
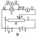
(2)该同学采用图甲所示的电路进行测量。图中R为滑动变阻器(阻值范围0~20 Ω,额定电流1.0 A),L 为待测小电珠,V为电压表(量程6 V,内阻20 kΩ),A为电流表(量程0.6 A,电阻1 Ω),E为电源(电动势8V,内阻不计),S为开关。

I.在实验过程中,开关S闭合前,滑动变阻器的滑片P应置于最____端;(填“左”或“右”)
Ⅱ.在实验过程中,已知各元器件均无故障,但闭合开关S后,无论如何调节滑片P,电压表和电流表的示数总是调不到零,其原因是___点至___点的导线没有连接好;(图甲中的黑色小圆点表示接线点,并用数字标记,空格中请填写图甲中的数字,如“2 点至3点”的导线)
Ⅲ.该同学描绘出小电珠的伏安特性曲 线示意图如图乙所示,则小电珠的电阻值随工作电压的增大而___。(填“不变”、“增大”或“减小”)

4、实验题 图(甲)是一个多量程多用电表的简化电路图,测量电流、电压和电阻各有两个量程,当转换开关S旋到位置3时,可用来测量____(选填“电阻”、“电压”或“电流”);当S旋到位置____时,可用来测量电流,其中S旋到位置?时量程较大用多用电表测量小电珠(4.8V 1.4W)的电阻,应选择多用电表电阻挡的倍率?(选填“×1”、“×10”或“×100”);调零后,将表笔分别与小电珠的两端连接,示数如图(乙),则测量结果为?Ω

5、实验题 一个电压表由小量程的电流表G与定值电阻R串联而成,某同学在校对其读数时发现,此电压表的读数总是大于标准电压表的读数,于是他给次电压表加装了一个适当的电阻,纠正了读数的偏差,所加电阻的可能接法是
A.与R并联
B.与G并联
C.与R,G串联
D.与R,G的串联电路并联