微信搜索关注"91考试网"公众号,领30元,获取公务员、事业编、教师等考试资料40G!
1、选择题 将一个半径为10cm的100匝圆形金属线框置于匀强磁场中,线框平面与磁场方向垂直,线框总电阻为3.14Ω。规定如图甲所示电流的方向为感应电流的正方向,磁感应强度B随时间t的变化关系如图乙所示。则(?)

A.0~1s内,感应电流的方向为正
B.1s~3s内,感应电流的方向为负
C.0~1s内,感应电流的大小为4
A
D.线框中感应电流的有效值为
A
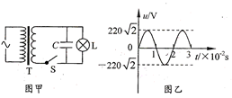
2、选择题 一交流电路如图甲所示,T为理想变压器,原、副线圈的匝数比为11:1,C为电容器,灯炮L的电阻为20
。变压器的输入电压u随时间t变化的图线如图乙所示,闭合开关S后,下列说法正确的是

A.变压器输入电压瞬时值的表达式为u=2
B.由于电容器C可以通过交流电,灯泡L将不发光
C.通过灯泡L电流的有效值为
D.灯沟L每分钟产生的热量为1200J
3、选择题 如图4所示,理想变压器的原线圈输入电压不变的交变电流,副线圈上接有定值电阻R和两个相同的灯泡
和L2,其余导线电阻不计.当S闭合时(? )

A.M、N两端的电压减小
B.电阻R两端的电压增大
C.通过原线圈的电流减小
D.通过灯泡
的电流减小
4、选择题 电阻为1Ω的矩形线圈,绕垂直于磁场方向的轴在匀强磁场中匀速转动,产生的交变电动势随时间变化的图象如图所示。现把交流电加在电阻为9Ω的电热丝上,则下列说法中正确的是( )

A.线圈转动的角速度为100πrad/s
B.电热丝两端的电压U=100
V
C.如果线圈转速提高一倍,则电流不会改变
D.用电流表测量电热丝的值为20A