| 高考省级导航 | |
|
|
|
高考物理高频考点《闭合电路的欧姆定律》高频试题强化练习(2017年最新版)(一)
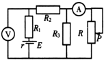
![]() 3、选择题 图所示电路中,电源电动势为E,内阻为r,当变阻器的滑动触头P向上移动时,电压表V的示数U和电流表的示数I的变化情况是( ) |

4、选择题 如图所示的电路中,电源电动势E和内阻r为定值,当外电路电阻发生变化时,干路电流I、路端电压U,内电压U′、电源输出功率P随之变化的图象如图所示,其中不正确的是( )
A.
B.
C.
D.
5、计算题 (11分)如图所示的电路中,电源的电动势为2V,内阻为0.5Ω, R0为2Ω,变阻器的阻值变化范围为0~10Ω,当S闭合后,求:
(1)变阻器阻值多大时,R0消耗的功率最大,其最大功率为多少?
(2)变阻器阻值多大时,变阻器消耗的功率最大,其最大功率为多少?
| 【大 中 小】【打印】 【繁体】 【关闭】 【返回顶部】 | |
| 下一篇:高考物理高频考点《闭合电路的欧.. | |