微信搜索关注"91考试网"公众号,领30元,获取公务员、事业编、教师等考试资料40G!
1、填空题 (5分)在下列中学化学中常见物质的转化关系图中,已知常温下A为淡黄色固体、B为金属单质,D、E、M是常见气体单质,其中M为黄绿色,N是胃酸主要成分,工业上用E和M来制取N,试推断:

(1)写出下列化学式? A?????????????????I???????????????
(2)G转化为I的现象为????????????????????
(3)F+M→H离子方程式为???????????????????
(4)A+X→C+D的化学方程式为________________________
参考答案:(1)Na2O2、Fe(OH)3。(2)白色沉淀迅速转化为灰
本题解析:M为黄绿色,则M是氯气,N是胃酸主要成分,则N是氯化氢。A为淡黄色固体,因此A是过氧化钠。B为金属单质,则E是氢气,F和氯气可以继续反应,说明B是变价金属,即为铁,所以F是氯化亚铁。H是氯化铁。D和氢气反应,所以D是氧气。X是水,C是氢氧化钠,G是氢氧化亚铁,I是氢氧化铁。
本题难度:一般
2、填空题 有A、B、C、D、E五种元素,它们原子的核电荷数依次递增且均小于18;
A原子核内仅有1个质子;B原子的电子总数与C原子的最外层电子数相等;?C原子有两个电子层,最外层电子数是次外层电子数的3倍;D元素的最外层电子数是其电子层数的三分之一.E的单质是黄绿色气体且有毒.
(1)写出A分别与B、C所形成化合物的化学式:______,______.
(2)分别写出C和D的原子结构示意图:______,______.
(3)写出C、D、E所形成的化合物的电离方程式:______.
(4)写出E的单质与A、C、D三元素所形成的化合物反应的化学方程式,若是氧化还原反应,请用双线桥标出电子转移的数目和方向:______.
参考答案:A原子核内仅有1个质子,应为H元素;C原子有两个电子层,最外
本题解析:
本题难度:简单
3、简答题 甲、乙、丙、丁为四种常见单质,常温下,乙、丙、丁为气体.丙常用于自来水消毒,甲是生活中常见金属,A在通常情况下为无色液体,B、C在溶液中反应.

(1)D的化学式为______;闻气体丙的正确方法是______;取少量长期放置的丙的水溶液,滴入几滴石蕊试液,可观察到的现象是______.
(2)甲+A反应的化学方程式为______.
(3)F+甲反应的离子方程式为______;该反应中,证明甲适量或过量的方法是______.
(4)A+D+E反应的离子方程式为______;该反应能顺利进行,是利用了D的______的性质;若反应在试管中进行一,则其现象为______.
参考答案:丙常用于自来水消毒,应为Cl2,A在通常情况下为无色液体,应
本题解析:
本题难度:一般
4、推断题 水是生命之源,也是化学反应中的主角。试回答下列问题:
I.A、B、C均是中学化学常见的三种短周期元素组成的有色物质,摩尔质量依次增大,它们均能与水发生氧化还原反应,但水既不是氧化剂也不是还原剂,请写出A、B、C与水反应的化学方程式:
(1)A + H2O__________________;
(2)B + H2O__________________;
(3)C + H2O__________________。
II.已知X和Y分别是短周期两种同族元素形成的单质,W、V是化合物,它们有如下变化关系:X+W→Y+V,试写出符合题意,且满足下列关系的化学方程式:
(1)W是水_________;
(2)V是水__________。
参考答案:I:(1)3NO2+H2O=2HNO3+NO;(2)Cl2+
本题解析:
本题难度:一般
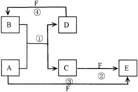
5、填空题 (12分)A、B、C、D、E、F六种物质的转化关系如图所示(反应条件和部分产物未标出)

(1)若A为短周期金属单质,D为短周期非金属单质,且所含元素的原子序数A是D的2倍,所含元素的原子最外层电子数D是A的2倍,F的浓溶液与A、D反应都有红棕色气体生成,
则A的原子结构示意图为__________,反应④的化学方程式为④???????????????????????.
(2)若A为常见的金属单质,D、F是气态单质,反应①在水溶液中进行,则反应②(在水溶液中进行)的离子方程式是____________________,已知常温下1g D与F反应生成B(气态)时放出92.3kJ热量,写出反应的热化学方程式____________________
.
(3)若A、D、F都是短周期非金属元素单质,且A、D所含元素同主族,A、F所含元素同周期,则反应①的化学方程式为____________________,分子E的结构式为__________
参考答案:(共12分,每空2分)
(1)
本题解析:略
本题难度:一般