微信搜索关注"91考试网"公众号,领30元,获取公务员、事业编、教师等考试资料40G!
1、选择题 质量为m的物体以初动能E恰好能从绝缘斜面顶端匀速下滑到斜面底端.现使该物体带正电,同时在斜面所处空间加一个竖直方向的匀强电场,然后让该物体仍以初动能E从斜面顶端开始下滑,它仍能沿斜面运动.则它到达斜面底端时的动能将( )
A.大于E
B.等于E
C.小于E
D.以上三种都有可能
2、选择题 在北戴河旅游景点之一的滑沙场有两个坡度不同的滑道AB和
,(均可看作斜面),甲、乙两名质量相等的旅游者分别乘两个完全相同的滑沙橇从A点由静止开始分别沿AB和
滑下,最后都停在水平沙面BC上,如图所示。设滑沙橇和沙面间的动摩擦因数处处相同,斜面与水平面连接处均可认圆滑的,滑沙者保持姿势坐在滑沙橇上不动.则下列说法中正确的是:

A.甲在B点的动能一定大于乙在
点的动能
B.甲滑行的总路程一定大于乙滑行的总路程
C.甲在斜面上滑行时克服摩擦力做功多
D.甲全部滑行的水平位移一定等于乙全部滑行的水平位移
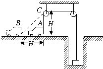
3、简答题 图中,AB=AC=H,开始时绳AC处于竖直方向,小车从静止出发在水平路面上运动到B点时速度为v,在此过程中绳子对挂在井底、质量为m的物体做了多少功?
4、选择题 一只下落的苹果质量为m,当速度为v时,它的动能是(?)
A.0.5 mv
B.0.5 mv2
C.mv
D.mv2
5、计算题 如图所示,已知小孩与雪橇的总质量为m =" 20" kg ,静止于水平冰面上的A点,雪橇与冰面间的动摩擦因数为
= 0.1。(g取10m/s2)

(1)妈妈先用30N的水平恒力拉雪橇,经8秒到达B点,求A、B两点间的距离L。
(2)若妈妈用大小为30N,与水平方向成37°角的力斜向上拉雪橇,使雪橇从A处由静止开始运动并能到达(1)问中的B处,求拉力作用的最短距离。(已知cos37°="0.8" ,sin37° = 0.6)
(3)在第(2)问拉力作用最短距离对应的运动过程中,小孩与雪撬的最大动能为多少??