微信搜索关注"91考试网"公众号,领30元,获取公务员、事业编、教师等考试资料40G!
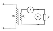
1、填空题 如图所示,理想变压器原线圈输入交变电流i=Imsinωt,副线圈接有一电流表和负载电阻R,电流表的示数为0.10A .在t=T/4时(T为交变电流的周期),线圈中的电流瞬时值为0.03A。由此可知该变压器的原、副线圈的匝数比为?。
2、选择题 如图所示,一理想变压器原、副线圈匝数比n1:n2=11:5。原线圈与正弦交变电源连接,输入电压
。副线圈接入电阻的阻值R=100Ω。则

A.通过电阻的电流是22A
B.交流电的频率是100Hz
C.与电阻并联的电压表的示数是100V
D.变压器的输入功率是484W
3、计算题 某发电厂发电机的输出功率P=100 kW,发电机端电压U=250 V,向远处送电的输电线的总电阻R=8 Ω.要使输电线上的功率损失不超过输送功率的5%,用户得到的电压又正好是220 V.
(1)应该怎样安装变压器?画出输电线路的示意图;
(2)求出所用的变压器的原、副线圈的匝数比.
4、选择题 如图所示,在某一输电线路的起始端接入两个互感器,原副线圈的匝数比分别为100:1和1:100,图中a、b表示电压表或电流表,已知电压表的示数为22V,电流表的示数为1A,则( )
A.a为电流表,b为电压表
B.a为电压表,b为电流表
C.线路输送电功率是220kW
D.输电线路总电阻为22Ω