微信搜索关注"91考试网"公众号,领30元,获取公务员、事业编、教师等考试资料40G!
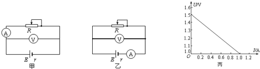
1、填空题 用伏安法测定一节干电池的电动势和内阻,有如图所示的甲、乙两个电路图,实验时应选电路______,某同学根据实验数据画出U-I图象如图丙所示,则测得的电池的电动势为______伏,内电阻为______欧姆.

2、简答题 一带电量q=6.4×10-19C、质量m=1.6×10-25㎏的粒子,以初速度V0=4×104m/s沿垂直于电场线方向进入两带电平行极板间,极板之间的区域有E=1.0×103V/m的匀强电场.已知粒子在穿越电场过程中沿场强方向的位移为5cm,不计粒子所受重力,求极板的长度L.
3、填空题 如图所示为某同学用多用电表欧姆档测量一个电阻阻值的示数和档位情况,则这个电阻的阻值约为______Ω.如果想测量的更精确些,应怎样调节多用电表后再进行测量?
答:______.

4、简答题 多用电表指针如图所示
(1)如选择开关为“R×10”挡,则所测电阻的阻值______Ω
(2)如选择开关为直流电压250V挡,则对应读数是______V
(3)如选择开关为直流电流10mA挡,则对应读数是______mA.
5、选择题 关于多用电表上的电阻刻度线,下列说法正确的是( )
A.零电阻刻度线与零电流刻度线重合
B.零电阻刻度线与电流表满偏刻度线重合
C.电阻刻度不均匀,刻度值越大处刻度线越密
D.电阻刻度不均匀,刻度值越小处刻度线越密