| 高考省级导航 | |
|
|
|
高考物理知识大全《交变电流》高频考点预测(2017年最新版)(十)
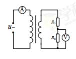
参考答案:C 本题解析:由图象的纵坐标知,电压的正、负分别表示电压的方向,因此两图均为交变电流,A错;对于正弦式电流才有U有效= 本题难度:一般 2、选择题 图中理想变压器的原、副线圈匝数之比为2∶1,电阻R1= R2=10Ω,电表 |
参考答案:BD
本题解析:由图知,R1、 R2串联,电流相等,又R1= R2=10Ω,所以R1、 R2电压相等,所以电压表示数为10V,所以A错误;根据欧姆定律得R1、 R2的电流为I=1Ω,根据变流规律可得:原线圈电流为0.5A,所以B正确;R1消耗的功率为
,所以C错误;由R1两端电压
(V)知,
,解得f=50Hz,所以D正确。
考点:本题考查交流电、变压器
本题难度:一般
3、选择题 关于发电机和电动机下列说法中不正确的是( )
A.发电机和电动机的作用是相同的,都可以把其他形式的能转化成电能
B.发电机可以把其他形式的能转化成电能,电动机可以把电能转化成机械能
C.发电机和电动机统称为电机
D.通过电机可以实现电能与其他形式的能源相互转
参考答案:A
本题解析:发电机是通过外力做功将机械能转化为电能,是磁生电的现象;而电动机则是将电能转化为机械能,是电生磁的现象.
解:A、发电机可以把其他形式的能转化成电能,电动机可以把电能转化成机械能,故A错误的;
B、发电机可以把其他形式的能转化成电能,电动机可以把电能转化成机械能,故B正确;
C、电机是电动机与发电机的简称,故C正确;
D、电机是电动机与发电机的简称,所以可以实现电能与其他形式的能源相互转化.故D正确;
本题选择不正确的,故选:A
点评:磁生电现象是由法拉第发现,而电生磁的现象是由奥斯特发现.
本题难度:一般
4、简答题
为了减少因火电站中煤的燃烧对大气的污染而大力发展水电站。三峡水利工程
中某一水电站发电机组设计为:水以v1=3m/s的速度流入水轮机后以v2=1m/s的速度
流出,流出水位比流入的水位低10m,水流量为Q=10m3/s,水轮机效率为75﹪,发
电机效率为80﹪,求:
(1)发电机组的输出电功率是多少?
(2)如果发电机输出电压为240V,用户需电压220V,输电线路中能量损失为5﹪,
输电线电阻为19.5Ω,那么所需升降变压器的原副线圈匝数比分别是多少?
参考答案:(1)
?(2)
本题解析:(1)设时间t内水流质量为m,
?①
水轮机获得的机械能为
×75﹪?②
则发电机的输出电能:
80﹪?③
发电机的输出功率:
?④
代入数据,解得P0="624KW?" ⑤
(2)发电机的输出电流为I1=P0/U1?⑥
输电线路损失
×5﹪?⑦
输电电流由焦耳定律得,
,?⑧
得I2=40A
则升压变压器原副线圈匝数比
?⑨
用户端降压变压器的输出功率等于降压变压器的输入功率
W?⑩
输出电流
A? (11)
所以用户降压变压器原副线圈匝数比
?(约 67:1)? (12)
本题难度:一般
5、计算题 如图所示,正方形线圈abcd在磁感应强度B=1T的匀强磁场中绕轴OO′以角速度ω=10π rad/s匀速转动,线圈共10匝,线圈的电阻值为5 Ω,ab=0.6 m,bc=0.6 m,负载电阻R=45 Ω.求
(1)电阻R在0.05 s内发出的热量;(结果保留两位小数)
(2)电阻R在0.05 s内流过的电荷量(设线圈从垂直中性面开始转动).
参考答案:(1) Q=5.76 J. (2) q=0.072 C.
本题解析: (1)矩形线圈abcd在匀强磁场中旋转产生正弦交变电流,电动势的峰值为
Em=nBSω=10×1×0.6×0.6×10π V=113.04 V
电流的有效值
所以0.05 s内R上发出的热量Q=I2Rt=5.76 J.
(2)矩形线圈旋转过程中产生的感应电动势的平均值
电流的平均值
;
0.05 s内电路流过的电荷量q=It=0.072 C.
点评:本题要注意交变电流的最大值和平均值的区别,在计算通过的电荷量的时候,只能用电压的平均值来计算,不能用电压的有效值.
本题难度:一般
| 【大 中 小】【打印】 【繁体】 【关闭】 【返回顶部】 | |
| 下一篇:高考物理试题《弹力》考点预测(2.. | |