1、简答题 (1)游标卡尺如图1所示,其示数为______mm;

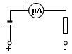
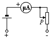
(2)在测量金属丝的电阻率实验中,某同学用毫米刻度尺测出金属丝长度L,用螺旋测微器测出金属丝直径d,采用图2所示的电路测量出金属丝的电阻,电流表示数为I,电压表示数为U,电阻的测量值比真实值______(填“偏大”或“偏小”).最后由公式ρ=______计算出金属丝的电阻率(用直接测量的物理量表示).
(3)根据各点表示的数据描出该电阻的伏安特性图线,并由此图3线得出该电阻的阻值为RX=______KΩ(保留2位有效数字).
2、选择题 如图所示是一个欧姆表的外部构造示意图,其正、负插孔内分别插有红、黑表笔,则虚线内的电路图应是图中的(? )

A.
B.
C.
D.
3、选择题 电源电动势为E,内阻为r,对小灯泡供电,下列说法中正确的是( ? )
A.电源被短路时,通过电源的电流为E/r,外电路电压为零
B.外电路并联的灯泡越多,电路输出的功率就越大
C.外电路并联的灯泡越少,路端电压就越大
D.外电路并联的灯泡越少,电源供电的效率就越低
4、简答题 用电流表和电压表测一节干电池的电动势E和内电阻r.

(1)有两种可供选择的实验电路如图1所示,应选______;按照所选电路在实物图2中连图(连线不得交叉)
(2)根据实验获得的U-I图线计算出该电池电动势E=______V,内电阻r=______Ω.
5、填空题 (1)一学生使用多用电表测电阻,用“×10”挡调零后,测量一个电阻的阻值,发现表针偏转角度很大,为了把电阻测得更准一些,应换用______挡,重新调零后再测量.
(2)图为-正在测量中的多用电表的表盘.
A.如果是用直流2.5V档测量电压,则读数为______V.
B.如果是用×100Ω档测量电阻,则读数为______Ω.
C.如果是用直流100mA档测量电流,则读数为______mA.
