1、实验题 (8分)在“探究小车速度随时间变化规律”实验中
(1)某同学采用如图甲所示的装置进行试验,?(选填“需要”或“不需要”)平衡摩擦力,?(选填“需要”或“不需要”)测量小车的质量.


(2)该同学在研究小车运动时实打出了一条纸带,如图乙所示.在纸带上,连续5个点为一个计数点,相邻两个计数点之间的距离见下表,并画出对应的图线(其中横坐标数值表示第几个0.1s,纵坐标对应的该0.1s内物体的位移)如图丙所示.则小车的速度随时间?(选填“是”或“不是”)均匀变化;整个过程中小车的平均加速度为?m/s2.(保留两位有效数字)

时间t/0.1s
| 1
| 2
| 3
| 4
| 5
| 6
|
相邻计数点的距离xn/cm
| 1.45
| 2.45
| 3.46
| 4.44
| 5.45
| 6.46
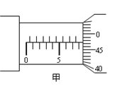
2、实验题 用螺旋测微器(千分尺)测金属导线的直径,其示数如甲图所示,该金属导线的直径为?mm。
3、实验题 (1)(8分)下面是通过描点法画小球平抛运动轨迹的一些操作要求,将你认为正确的选项前面的字母填在横线上?。 A.通过调节使斜槽的末端切线保持水平 B.每次释放小球的位置必须相同 C.记录小球位置用的凹槽每次必须严格等距离下降 D.每次必须由静止释放小球
|
E.小球运动时不应与木板上的白纸相接触
F.将球的位置记录在纸上后,取下纸,用直尺将点连成折线
(2)某学生在实验中,忘记记下小球做平抛运动的起点位置O,A为物体运动一段时间后的位置,如图所示,则该小球做平抛运动的初速度为?m/s.(g=10m/s2)
4、实验题 (4分)某物理兴趣小组在探究平抛运动规律时用频闪相机记录了一个小球在做平抛运动过程中的连续的四个位置,已知背景方格纸的边长为a,频闪相机的闪光频率为f。则该小球平抛的初速度v0=?,当地的重力加速度g=?。
5、实验题 电磁打点计时器是可以记录物体运动信息的仪器,其工作电压约为?V;电源频率是50Hz, 则它每隔?s打一次点。在测定匀变速直线运动加速度实验中,某次实验纸带的记录如上图所示,每打5个点取一个记数点,分别标明0、1、2、3、4。量得x1=30.0mm,x2=36.0mm,x3=42.0mm,x4=48.0mm,则打印点2时小车的瞬时速度v2=?m/s;物体的加速度a=?m/s2