1、简答题
(1)请证明线框进入磁场的过程中任意时刻线框克服安培力做功的功率等于线框的电功率;
(2)若m=0.40kg,L=0.45m,h="0.80" m,H=1.45m,且cd边进入磁场时线框刚好做匀速运动,求cd边刚穿出磁场时线框的加速度大小;(g取10m/s2)。
(3)在(2)中,若线框刚进入磁场时对其施加一竖直方向外力F,使其能以a=10.0m/s2的加速度竖直向下做匀加速运动,请在下图中作出线框abcd进入磁场的过程中外力F随时间t变化的图像。
2、选择题 有一种高速磁悬浮列车的设计方案是在每节车厢底部安装磁铁(磁场方向向下),并在两条铁轨之间沿途放一系列闭合线圈.下列说法中不正确的是( )
A.当列车运动时,通过线圈的磁通量会发生变化
B.列车速度越快,通过线圈的磁通量变化越快
C.列车运动时,线圈中会产生感应电流
D.线圈中的感应电流的大小与列车速度无关
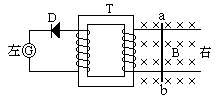
3、选择题 图中T是绕有两组线圈的闭合铁心,线圈的绕向如图所示,D是理想的二极管,金属棒ab可在两条平行的金属导轨上沿导轨滑行,磁场方向垂直纸面向里.若电流计G中有电流通过,则ab棒的运动可能是

A.向左匀速运动
B.向右匀速运动
C.向左匀加速运动
D.向右匀减速运动
4、计算题 一种测量血管中血流速度的仪器原理如图所示,在动脉血管上下两侧分别安装电极并加有磁场.设血管直径是2.0 mm,磁场的磁感应强度为0.080 T,电压表测出的电压为0.10 mV,求血流速度的大小。
5、填空题 一闭合线圈有50匝,总电阻R=2.0Ω,穿过它的磁通量在0.1s内由8×10-3Wb增加到1.2×10-2Wb,则线圈中的感应电动势E= ,线圈中的电流强度I= 。