1、选择题 某同学用伏安法测量电阻时,分别采用电流表内接法和外接法,测得某电阻Rx的阻值分别为R1和R2,则所测阻值与真实值Rx的关系应是( ? )
A.R1>Rx>R2
B.R1<Rx<R2
C.R1>R2>Rx
D.R1<R2<Rx
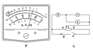
2、实验题 (11分)一毫安表头
满偏电流为9.90mA ,内阻约为300Ω,要求将此毫安表头改装成量程为1A的电流表,其电路原理如图所示。图中
是量程为2A的标准电流表, R0为电阻箱,R为滑动变阻器, S为开关, E为电源.

(1)完善下列实验步骤:
①将右侧的实物图按电路原理图连线;

②将滑动变阻器的滑动头调至?端(填“a”或“b”),电阻箱 R0的阻值调至零;
③合上开关;
④调节滑动变阻器的滑动头,增大回路中的电流,使标准电流表读数为1A;
⑤调节电阻箱R0的阻值,使毫安表指针接近满偏,此时标准电流表的读数会?_______(填“增大”、“减小”或“不变” ) ;
⑥多次重复步骤④⑤,直至标准电流表的读数为1A,同时毫安表指针满偏.
(2)回答下列问题:
①在完成全部实验步骤后,电阻箱使用阻值的读数为3.
1Ω,由此可知毫安表头内阻为
?Ω.
②用改装成的电流表测量某一电路中的电流,电流表指针半偏,此时流过电阻箱的电流为
?A.
3、计算题 在“描绘小电珠的伏安特曲线”实验中,所用器材有:小电珠(2.5 V,0.6 W),滑动变阻器,多用电表,电流表,学生电源,开关,导线若干.


(1)粗测小电珠的电阻,应选择多用电表________倍率的电阻挡(请填写“×1”、“×10”或“×100”);调零后,将表笔分别与小电珠的两极连接,示数如图甲所示,结果为________Ω.
(2)实验中使用多用电表测量电压,请根据实验原理图乙完成实物图丙中的连线.
(3)开关闭合前,应将滑动变阻器的滑片P置于________端,为使小电珠亮度增加,P应由中点向________端滑动.(请填“a” 或“b”)
(4)下表为电压等间隔变化测得的数据,为了获得更准确的实验图象,必须在相邻数据点________间多测几组数据(请填写“ab”、“bc”、“cd”、“de”或“ef”).
数据点
| a
| b
| c
| d
| e
| f
|
U/V
| 0.00
| 0.50
| 1.00
| 1.50
| 2.00
| 2.50
|
I/A
| 0.000
| 0.122
| 0.156
| 0.185
| 0.216
| 0.244
|
?
4、实验题 (10分)在“练习使用多用电表”实验中,某同学进行了如下的操作:
(1)用多用电表电阻档测量某一电阻的阻值时,该同学先用大拇指和食指紧捏红黑表笔进行奥姆调零(如图a所示),然后用两表笔接触待测电阻的两端(如图b所示),这两步操作是否合理???(填“a合理”或“b合理”或“都不合理”)


(2)用多用电表电流文件测量电路中电流,该同学将选择开关置于直流“50mA”文件,连接的电路如图c所示,图中多用电表测定的是__ __?(填甲电阻的电流、乙电阻的电流或总的电流),测得的值是___________。

(3)该同学要测量多用电表直流2.5 V檔的内阻RV (约为20kΩ)。除此多用电表外,还有以下器材:直流电源一个(电动势E为2V,内阻可忽略不计),电阻一个(阻值R为10kΩ),电键一个,导线若干。要求: (I)画出实验电路图(多用电表符号用
) 表示);(II)写出RV的表达式(用字母表示)。
5、实验题 有一个小灯泡上标有“4 V 2 W”的字样,现要描绘这个灯泡的伏安特性图线.,有下列器材供选用:
A.?电压表(0?5V,内阻约为10KΩ)
B.?电压表(0?10V,内阻约为20kΩ)
C.?电流表(0?0.3 A,内阻约为1Ω)
D.?电流表(0?0.6A,内阻约为0.4Ω)
E.?滑动变阻器(10Ω,2A)
F.?学生电源(直流6V),还有开关、导线若干
①实验中所用电压表应选用?,电流表应选用?.(用对应的选项字母表示)
②实验时要求尽量减小实验误差,测量电压时应从零开始多取几组数据,请将图甲中实物连接成满足实验要求的測量电路.

③某同学根据实验得到的数据画出了该小灯泡的伏安特佺曲线(如图乙所示〉,若用电动势为3 V、内阻为2. 5Ω的电源给该小灯泡供电,则该小灯泡的实际功率是___ ___ W