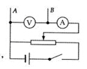
1、实验题 某同学对有故障的电热毯进行探究,图(a)是电热毯的电路示意图,其中电热线和导线通过金属接线片连接,图(b)为测试电路实物图,A、B为测试表笔,电压表和电流表均可视为理想电表。

(1)断开K1,用测试电路在1和1′之间检测得知电热线无故障,然后测得电热线的U-I曲线如图(c)所示。可求得此电热线的电阻为?Ω。
(2)在答题卷虚线框内画出与图(b)对应的电路原理图。
(3)为了进一步检查故障,该同学闭合开关K1和K2,用表笔A和B分别对图(a)中所示的各点进行测试,部分测试结果如下表所示。由此测试结果可判断出电路有断路,位置在?(在“1和2”、“1′和2′”、“2和3”、“2′和3′”中选填一项)。
测试点
| 3和3′
| 1和1′
| 1和3
| 1和2′
| 2′和3′
|
电表指针有无偏转
| 电压表
| 有
| 有
| 无
| 有
| 无
|
电流表
| 无
| 有
| 有
| 无
| 有
|
?
参考答案:(1)
(570~590均可以)(2)

(3)断路位置在1′和 2′之间
本题解析:(1):根据
可知,电热线的电阻为:
(570~590均可以);
(2):由实物图可知,电流表采用的是外接法,变阻器采用的是分压式接法,电路图如图所示:

(3): 测故障时,根据“若电压表有示数说明电压表之间不含电源的部分可能有断路(含电源的部分没有断路),若无示数,则电压表之间不含电源的部分可能没有断路 (含电源的部分可能断路)”及“若电流表有示数,说明电流表之间电路没有断路,若电流表无示数说明电流表之间电路有断路”的规律可知,断路位置在1′和 2′之间;
本题难度:一般
2、实验题 在物理兴趣小组活动中,一同学利用下列器材设计并完成了“探究导体阻值与长度的关系”的实验.
电压表
量程3 V 内阻约为900 Ω
电压表
量程10 V 内阻约为3 kΩ
电流表
量程60 mA 内阻约为5 Ω
电源E1 电动势1.5 V 内阻约为0.2 Ω
电源E2 电动势4.5 V 内阻约为0.4 Ω
滑动变阻器(最大阻值为10 Ω)、粗细均匀的同种电阻丝、开关、导线和刻度尺

其主要实验步骤如下:
A.选取图中器材,按示意图连接电路
B.用伏安法测定电阻丝的阻值R
C.用刻度尺测出电阻丝的长度L
D.依次减小电阻丝的长度,保持电路其他部分不变,重复步骤B、C
E.处理数据,根据下列测量结果,找出电阻丝阻值与长度的关系
L(m)
| 0.995 6
| 0.804 9
| 0.598 1
| 0.402 1
| 0.195 8
|
R(Ω)
| 104.8
| 85.3
| 65.2
| 46.6
| 27.1
|
为使实验尽可能准确,请你对上述步骤中画线处加以改进.
(Ⅰ)______________________________________________________________,
(Ⅱ)_____________________________________________________________.
参考答案:(Ⅰ)电源改选E2(Ⅱ)判断电流表的内外接法,作出相应调整
本题解析:(Ⅰ)电压表
量程为3 V,故电源应为
;
(Ⅱ)随着电阻丝长度的变化,其阻值逐渐减小,因此用伏安法测其阻值时应先用内接法,后应改为外接法.
点评:本题中由于被测电阻是变化的,所以需要根据阻值的变化调节电流表的内外接法
本题难度:简单
3、实验题 实验室新进了一批低电阻的电磁螺线管,课外活动小组的同学设计了一个实验来测算螺线管使用的金属丝长度(金属丝材料已知)。他们选择了多用电表、电流表、电压表、开关、滑动变阻器、螺旋测微器、导线和学生电源等。

①使用多用电表粗测金属丝的电阻,操作过程分以下三个步骤:
a.机械调零后,将红、黑表笔分别插入多用电表的“+"、“一”插孔,选择“×1”的电阻档;
b.______________________________(填写b步骤的操作);
c.把红、黑表笔分别与螺线管金属丝的两端相接,多用表的示数如图甲所示,测得金属丝电阻为____________
;
②利用电路更准确测量金属丝Rx石的电阻,为了减少实验误差,应选用____________(选填“乙”或“丙”)电路;?
③如图丁所示,使用螺旋测微器测得金属丝的直径为____________mm。
由以上测得的实验数据及查表得到的金属丝电阻率值,可测算出金属丝的长度。
参考答案:(1)①欧姆调零②丙③
本题解析:(1)①、欧姆调零是将红、黑表笔短接,调整调零旋钮使其电流达到最大,则此时刻度盘上的读数为零.欧姆表的示数为4.0Ω;②金属丝电阻比较小,电流表电阻也比较小,所以应该采用电流表外接法。我们希望通过移动滑动变阻器读出电压表电流表较广的读数,那么采用滑动变阻器的分压接法可以实现所以采用滑动变阻器的分压接法,故电路图选丙;③螺旋测微器的读数为
本题难度:一般
4、实验题 (8分) 某电流表的量程为50mA,内阻为50
,其表面的刻度盘已损坏,要重新通过测量来刻画出刻度值,有下列器材:
?
A.待测电流表
B.9V直流电源
C.“0-10
,1A”滑动变阻器
D.“0-100
,50mA”滑动变阻器