1、填空题 (1)将量程为100μA内阻为500Ω的灵敏电流表改装为量程为1mA的毫安表.需要给它______联一只R=______Ω的电阻.
(2)将满偏电流Ig=300?μA、内阻为100Ω的电流表改装成量程为3V的电压表,需要给它______联一只R=______Ω的电阻.
参考答案:(1)由IgRg=(I-Ig)R得R=IgRgI-Ig? 带入数据得:R=5009Ω
? (2)由U=Ig(Rg+R),带入数据得3V=3×10-3A(100Ω+R),解得R=9900Ω
? 故答案为(1)并,5009Ω? (2)串,9900Ω
本题解析:
本题难度:一般
2、简答题 某同学要测量一均匀新材料制成的圆柱体的电阻率,步骤如下:
(1)用多用电表的电阻“×10”挡,按正确的操作步骤测此圆柱体的电阻,表盘的示数如图,则该电阻的阻值约为______Ω.
(2)该同学想用伏安法更精确地测量其电阻Rx,现有的器材及其代号和规格如下:

待测圆柱体电阻Rx
电流表A(量程0~10mA,内阻约30Ω)
电压表V1(量程0~3V,内阻约10kΩ)
电压表V2(量程0~15V,内阻约25kΩ)
直流电源E(电动势4V,内阻不计)
滑动变阻器R(阻值范围0~15Ω,允许通过的最大电流2.0A)
开关S,导线若干
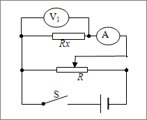
为使实验误差较小,要求测得多组数据进行分析,请在右框中画出测量的电路图,并标明所用器材的代号.
(3)若该同学用伏安法跟用多用电表测量得到的R测量值几乎相等,已知圆柱体底面积S=1×10-4?m2,长度L=30Cm,由此可估算此圆柱体材料的电阻率约为ρ=______Ω?m.(保留2位有效数字)
参考答案:解(1)该电阻的阻值约为R=22×10Ω=220Ω.
(2)电源电动势为4V,故电压表应选V?1,显然电流表应选A;因待测电阻值远小于电压表内阻,电流表应选外接法;又滑动变阻器最大阻值远小于待测电阻值,故变阻器应用分压式接法,电路图如图所示

(3)根据欧姆定律R?x=UI及电阻定律R?x=ρLS,整理可得ρ=USIL,代入数据可得ρ=0.073Ωm?
故答案为(1)220
?(2)如图
?(3)0.073
本题解析:
本题难度:一般
3、简答题 在用电流表和电压表测定电池的电动势和内阻的实验中,被测的电源是两节干电池串联的电池组,可供选择的实验器材如下:
A、电流表,量程0-0.6A,0-3A
B、电压表,量程0-3V,0-15V
C、滑动变阻器,0-20Ω,2A
D、电键一个,导线若干
(1)为了尽量得到较好效果,电流表量程应选______,电压表量程选______.
(2)如图有甲、乙两个可供选的电路,应选______(填“甲”或“乙”)电路进行实验,实验中误差是由于_ _____表(填“电压表”或“电流表”)的读数比实际值偏______.(填“大”或“小”)

(3)实验后,测得数据,并画出电源的输出特性图象(U-I图象)如图1所示,从图象中可知该电源的电动势为______V,电源内阻为______Ω.
参考答案:(1)因二节干电池的电动势约为3V,故电压表的测量量程不能太大,由题意可知,电压表只能选3V量程的; 通过电源的电流不能太大,故量程0~3A的电流表太大,无法准确测量,故电流表应选量程为0.6A的;
故答案为:0-0.6A,0-3V;
(2)甲图误差来源于电流表的分压作用,可以将电流表的内阻归结到电源中,故电动势测量值不变,内电阻测量值变大;乙图中误差来源与电压表的分流作用,由于电压表内电阻达到几千欧姆,误差较小,故选择乙方案;
故答案为:乙,电流表,小;
(3)U-I图中图象与纵坐标的交点为是电源的电动势,故电动势为3V;
根据斜率表示内电阻求解电源内阻,故内电阻为2Ω.
故答案为:3,2;
本题解析:
本题难度:一般
4、选择题 如图甲所示,两个平行金属板P、Q竖直放置,两板间加上如图乙所示的电压,t=0时,Q板比P板电势高5 V,此时在两板的正中央M点有一个电子,速度为零,电子在电场力作用下运动,使得电子的位置和速度随时间变化。假设电子始终未与两板相碰。在0<t<8×10-10s的时间内,这个电子处于M点的右侧,速度方向向左且大小逐渐减小的时间是(? )

A.0<t<2×10-10s
B.2×10-10s<t<4×10-10s
C.4×10-10s<t<6×10-10s
D.6×10-10s<t<8×10-10s
参考答案:D
本题解析:作出粒子运动的v-t图像如图所示。由图像可知正确选项为D。

或者:
在
时间内,Q板比P板电势高5V,
,方向水平向左,所以电子所受电场力方向向右,加速度方向也向右,所以电子向右做匀加速直线运动;
在
时间内,Q板比P板电势低5V,电场强度方向水平向右,所以电子所受电场力方向向左,加速度方向也向左,所以电子向右做匀减速直线运动,当
时速度为零;
在
时间内,Q板比P板电势低5V,电场强度方向水平向右,所以电子所受电场力方向向左,加速度方向也向左,所以电子向左做匀加速直线运动;
在
时间内,Q板比P板电势高5V,电场强度方向水平向左,所以电子所受电场力方向向左,加速度方向也向左,所以电子向左做匀减速直线运动,到8×10-10s时刻速度为零,恰好又回到M点.
综上分析可知:在
时间内,这个电子处于M点的右侧,速度方向向左且大小逐渐减小.
故选D
点评:平行板电容器两极板带电后形成匀强电场,带电离子在电场中受到力的作用,根据牛顿第二定律求出加速度,根据运动学基本公式分析即可求解.
本题难度:一般
5、简答题 两位同学在实验室中利用如图(a)所示的电路测定定值电阻R0、电源的电动势E和内电阻r,调节滑动变阻器的滑动触头P向某一方向移动时,一个同学记录的是电流表A和电压表V1的测量数据,另一同学记录的是电流表A和电压表V2的测量数据.并根据数据描绘了如图(b)所示的两条U-I图线.回答下列问题:

(1)根据甲、乙两同学描绘的图线,可知______
A.甲同学是根据电压表V1和电流表A的数据
B.甲同学是根据电压表V2和电流表A的数据
C.乙同学是根据电压表V1和电流表A的数据
D.乙同学是根据电压表V2和电流表A的数据
(2)图象中两直线的交点表示的物理意义是______
A.滑动变阻器的滑动触头P滑到了最右端
B.电源的输出功率最大
C.定值电阻R0上消耗的功率为0.5W
D.电源的效率达到最大值
(3)根据图(b),可以求出定值电阻R0=______Ω,电源电动势E=______V,内电阻r=______Ω.
参考答案:(1)从电路连接可以看出,电流表A的读数增大时,电压表V1的读数减小,电压表V2的读数增大.
甲同学是根据电压表V1和电流表A的数据绘制图象的,故B错误,A正确;乙同学是根据电压表V2和电流表A的数据绘制图象的,故C错误,D正确.
故选AD.
图象中两直线的交点表示电压表V1的读数与电压表V2的读数相等,即滑动变阻器的阻值为0,
A、滑动变阻器的滑动触头P滑到了最左端,故A错误;
B、图象可以得出电阻R0的阻值大于电源的内阻,滑动变阻器的阻值减小,电源的输出功率增大,两直线的交点对应滑动变阻器的阻值为0,即电源的输出功率最大,故B正确;
C、定值电阻R0消耗功率为:P=U2I=1.0×0.5 W=0.5 W,故C正确;
D、电源的效率为:η=UIEI=UE,U越大,效率越大,故D错误.
故选BC.
(3)从图象可以得出定值电阻R0的阻值为:R0=U2I=2.0Ω;
从甲同学的图象可以得出图象在U轴上的截距为1.50 V,即电源的电动势为1.50 V,
图象斜率的绝对值为:k=△U1△I=1.0,即电源的内阻为r=1.0Ω.
故答案为:(1)AD (2)BC (3)2.0 1.50 1.0
本题解析:
本题难度:一般