| 高考省级导航 | |
| 
 | |
| 高考物理知识点总结《变压器原理》高频试题巩固(2017年最新版)(十) 
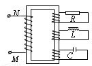
  参考答案:B 本题解析: 本题难度:简单 3、填空题  如图是两位高中同学李辉和刘伟在测定变压器线圈电阻的一个实验场景,刘伟手握线圈裸露的两端让李辉测量,刘伟有电击的感觉是在测量回路?时刻(填“断开”或“接通”) 参考答案:断开 本题解析:在接通时刻,流过刘伟的电流由万用表提供,所以电流值很小没有点击感觉,当断开时刻,裸露线圈两端由感应电动势产生,有电击的感觉 本题难度:简单 4、选择题  如图所示,理想变压器的输出端有三组次级线圈,分别接有电阻元件R、电感元件L和电容元件C。若用IR、IL、Ic分别表示通过R、L和C的电流,则下列说法中正确的是 参考答案:B 本题解析:接恒定电流时无电流通过,CD错.若M、N接正弦式交流电,由电磁感应现象知,三组次级线圈两端均有变化的电压, 本题难度:一般 5、选择题  如图所示,一台理想变压器的原副线圈匝数比为4∶1,图中五只电灯完全相同,若L2、L3、L4、L5都能正常发光,则L1将?(?) 参考答案:A 本题解析:因为 本题难度:一般 Cheapest is the dearest. 最便宜的也就是最贵的. | 
| 
 | ||
| 【大 中 小】【打印】 【繁体】 【关闭】 【返回顶部】 | ||
| 下一篇:高考物理知识点总结《弹力》考点.. | ||