| 高考省级导航 | |
|
|
|
高考物理高频考点《变压器原理》试题巩固(2017年最新版)(一)
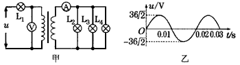
![]() 4、选择题 如图甲所示,变压器原副线圈的匝数比为3:1,L1,L2,L3,L4为四只规格均为“9V,6W”的相同灯泡,各电表均为理想交流电表,输入端交变电压U的图象如图乙所示,则以下说法中正确的是
[? ] A.电压表的示数为36 V B.电流表的示数为2A C.四只灯泡均能正常发光 D.变压器副线圈两端交变电流的频率为50 Hz 5、选择题 如图,一理想变压器,其原、副线圈的匝数均可调节,原线圈两端电压为一最大值不变的正弦交流电,为了使变压器输入功率增大,可使( ) |

| 【大 中 小】【打印】 【繁体】 【关闭】 【返回顶部】 | |
| 下一篇:高考物理知识点《简谐运动的图象.. | |