微信搜索关注"91考试网"公众号,领30元,获取公务员、事业编、教师等考试资料40G!
1、计算题 (11分)如图甲所示,光滑且足够长的金属导轨MN、PQ平行地固定在同一水平面上,两导轨间距L=0.20 m,两导轨的左端之间所接的电阻R=0.40 Ω,导轨上静止放置一质量m=0.10 kg的金属杆ab,位于两导轨之间的金属杆的电阻r=0.10 Ω,导轨的电阻可忽略不计.整个装置处于磁感应强度B=0.50 T的匀强磁场中,磁场方向竖直向下.现用一水平外力F水平向右拉金属杆,使之由静止开始运动,在整个运动过程中金属杆始终与导轨垂直并接触良好,若理想电压表的示数U随时间t变化的关系如图乙所示,求从金属杆开始运动经t=5.0 s时:

(1)通过金属杆的感应电流的大小和方向;
(2)金属杆的速度大小;
(3)外力F的瞬时功率.
2、填空题 在一起的线圈 A 与 B 如图甲,当给线圈 A 通以图乙电流(规定由进入 b 流出为电流正方向)时,则线圈B两端电压变化图为 ?
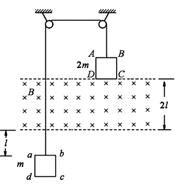
3、计算题 如图所示,竖直面内的正方形导线框ABCD、abcd的边长均为l、总电阻均为R,质量分别为2m和m,它们分别系在一跨过两个定滑轮的轻绳两端,在两导线框之间有一宽度为2l、磁感应强度大小为B、方向垂直竖直面向里的匀强磁场. 开始时ABCD的下边与匀强磁场的上边界重合,abcd的上边到匀强磁场的下边界的距离为l. 现将系统由静止释放,当ABCD刚全部进入磁场时,系统开始做匀速运动. 不计摩擦和空气阻力,求:

(1)系统匀速运动的速度大小.
(2)两线框从开始运动至等高的过程中所产生的总焦耳热.
(3)线框abcd通过磁场的时间.
4、计算题 如图所示,两根平行金属导轨固定在同一水平面内,间距为l,导轨左端连接一个电阻R。一根质量为m、电阻为r的金属杆ab垂直放置在导轨上。在杆的右方距杆为d处有一个匀强磁场,磁场方向垂直于轨道平面向下,磁感应强度为B。对杆施加一个大小为F、方向平行于导轨的恒力,使杆从静止开始运动,已知杆到达磁场区域时速度为v,之后进入磁场恰好做匀速运动。不计导轨的电阻,假定导轨与杆之间存在恒定的阻力。求:
(1)导轨对杆ab的阻力大小Ff;
(2)杆ab中通过的电流及其方向;
(3)导轨左端所接电阻R的阻值。

5、计算题 如图,矩形线圈面积为S,线圈平面垂直于磁感应强度为B的匀强磁场放置。若在t秒内将线圈绕bc翻转180°,则线圈中产生的平均感应电动势是多大?
